Skyworks Solutions Inc. Si88x4x Quad Digital Isolators
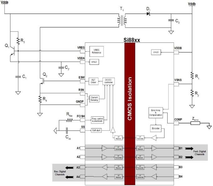
Skyworks Solutions Inc. Si88x4x Quad Digital Isolators combine proven digital isolator technology with an on-chip isolated DC-DC converter. This feature provides regulated output voltages of 3.3 or 5.0V (or >5V with external components) at peak output power levels of up to 2W. These devices offer up to four digital channels. The DC-DC converter has a user-adjustable frequency for minimizing emissions, a soft-start function for safety, a shutdown option, and loop compensation. The ultra-low-power digital isolation channels offer substantial data rates, propagation delay, size, and reliability advantages over legacy isolation technologies. Data rates up to 100Mbps are supported, and all of these Skyworks devices achieve propagation delays of only 23ns.Features
- High-speed isolators with integrated DC-DC converter
- Fully-integrated secondary sensing feedback-controlled converter with dithering for low EMI
- DC-DC converter efficiency of 78%
- Up to 2W isolated power with integrated power switches
- Options include DC-DC shutdown, frequency control, and soft start
- Standard voltage conversion
- 3/5V to isolated 3/5V
- 24V to isolated 3/5V supported
- Precise timing on digital isolators
- 0Mbps to 100Mbps
- 18ns max prop delay
- 100 year lifetime
- High electromagnetic immunity and ultra-low emissions
- RoHS-compliant packages
- SOIC-20 wide body
- SOIC-24 wide body
- 5000Vrms isolation
- 50kV/μs (typical) transient immunity
- AEC-Q100 qualified
- -40°C to +125°C temperature range
Applications
- Industrial automation systems
- Hybrid electric and electric vehicles
- Isolated power supplies
- Inverters
- Data acquisition
- Motor control
- PLCs distributed control systems
3V/3V or 5V/5V Operation
24V Input to 5V Output Operation
Videos
Publicerad: 2015-03-26
| Uppdaterad: 2022-03-11
