Skyworks Solutions Inc. SKY65017-70LF-EVB Evaluation Board
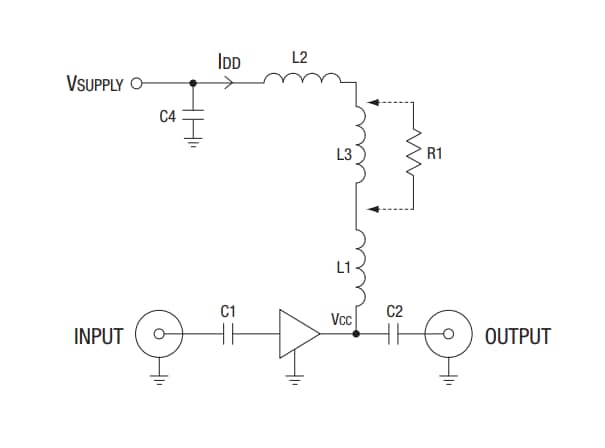
Skyworks SKY65017-70LF-EVB Evaluation Board is designed to test the performance of the SKY65017-70LF cascadable amplifier. This board features input and output connection through 50Ω microstrip transmission lines with DC blocking capacitors to the input and output SMA connectors.The SKY65017-70LF-EVB evaluation board is connected to the positive supply voltage through pin 3 of the amplifier using the decoupling network. This decoupling network consists of the components C4, L1, L2, and R1. The SKY65017-70LF-EVB evaluation board is shipped with L3 in place, which shifts the in-band series resonance of the supply decoupling network out-of-band. This board also contains a probe fixture that facilitates the direct measurement of the S-parameters.
Schematic
Publicerad: 2018-07-22
| Uppdaterad: 2022-10-17
