STMicroelectronics GANSPIN611 GaN High-Power Density Half-Bridge

STMicroelectronics GANSPIN611 GaN High-Power Density Half-Bridge is an advanced power system-in-package integrating two enhancement-mode GaN transistors in a half-bridge configuration driven by a state-of-the-art high-voltage, high-frequency gate driver. The integrated power GaNs have an RDS(ON) of 138mΩ and a 650V drain-source breakdown voltage, while the integrated bootstrap diode can easily supply the high side of the embedded gate driver.

The GANSPIN611, designed for motion control, optimizes the output dV/dt to 10V/ns (typ.) for hard-on/-off. This feature is required in motor control for EMI, motor winding, and ball bearing reliability. Robustness and reliability are also distinctive factors of the GaNSPIN series. Embedding advanced protections, GaNSPIN devices ensure the ideal system robustness. SmartShutdown overcurrent protection provides a fast response due to its embedded logic and dedicated, high-speed comparators.

The STMicroelectronics GANSPIN611 is available in a compact 9mm x 9mm x 1mm QFN package and operates within the industrial temperature range of -40°C to +125°C. The GaNSPIN611 is pin-to-pin with GaNSPIN612 [RDS(ON) of 270mΩ] to maximize scalability in a platform approach.

Features

  • Power system-in-package family integrating high-voltage GaN transistors in a half-bridge configuration with a high-voltage gate driver
    • RDS(ON) = 138mΩ
    • IDS(MAX) = 10A
  • Reverse conduction capability and zero reverse recovery loss
  • 10V/ns (typ.) output dV/dt in both hard-on and hard-off, tailored for motor control
  • Linear regulators to regulate the high-side and low-side driver supply voltage
  • Externally adjustable turn-on dV/dt
  • Internal bootstrap diode
  • Comparator for overcurrent detection with Smart Shutdown function
  • UVLO protection on VCC, VHS, and VLS
  • Interlocking function, shutdown, standby, and fault pins
  • 55ns gate driver leading to an overall 150ns (typ.) output propagation delay
  • 3.3V to 20V compatible inputs with hysteresis and pull-down

Applications

  • Home appliances
  • Compressors
  • Pumps
  • Fans
  • Personal care appliances
  • Factory automation
  • Servo drives
  • Power tools

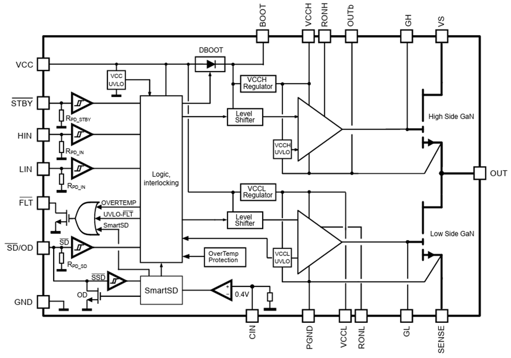
Block Diagram

Block Diagram - STMicroelectronics GANSPIN611 GaN High-Power Density Half-Bridge
Publicerad: 2025-10-29 | Uppdaterad: 2026-03-11