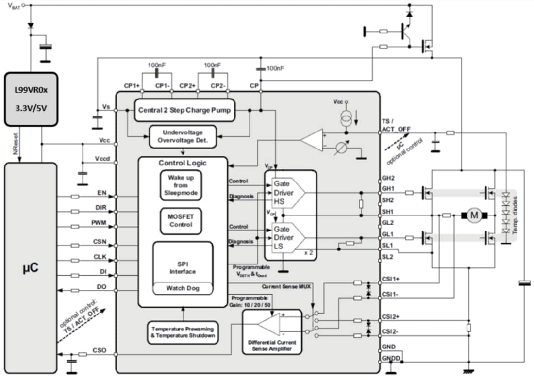
STMicroelectronics L99H02 H-Bridge Gate Driver
STMicroelectronics L99H02 H-Bridge Gate Driver is designed to drive four external N-channel MOS transistors in H-bridge configuration for DC-motor driving in automotive applications. A free configurable current sense amplifier is integrated into the STMicroelectronics L99H02. The integrated standard serial peripheral interface (SPI) controls the device and provides diagnostic information. An interface pin for the thermal sensors of the external MOSFETs is implemented.Features
- AEC-Q100 qualified
- Operating supply voltage 6V to 28V
- Central 2-stage charge pump
- 100% duty cycle
- Full RDSon down to 6V (standard level threshold MOSFETs)
- Charge pump output available for driving an external reverse battery NMOSFET protection
- Charge pump current limited
- PWM operation up to 30kHz
- SPI interface
- Current sense amplifier/free configurable
- Zero adjust for end of line trimming
- Power management: programmable freewheeling
- A sensing circuitry of external MOSFETs with embedded thermal sensors
Applications
- Wiper
- Power door
- Seat belt tensioner
- Seat positioning
- Valve tronic
- Park brake
- 2H motors
Block Diagram
Publicerad: 2021-10-29
| Uppdaterad: 2023-01-06
