STMicroelectronics PWD5T60 Three-Phase High-Density Power Drivers
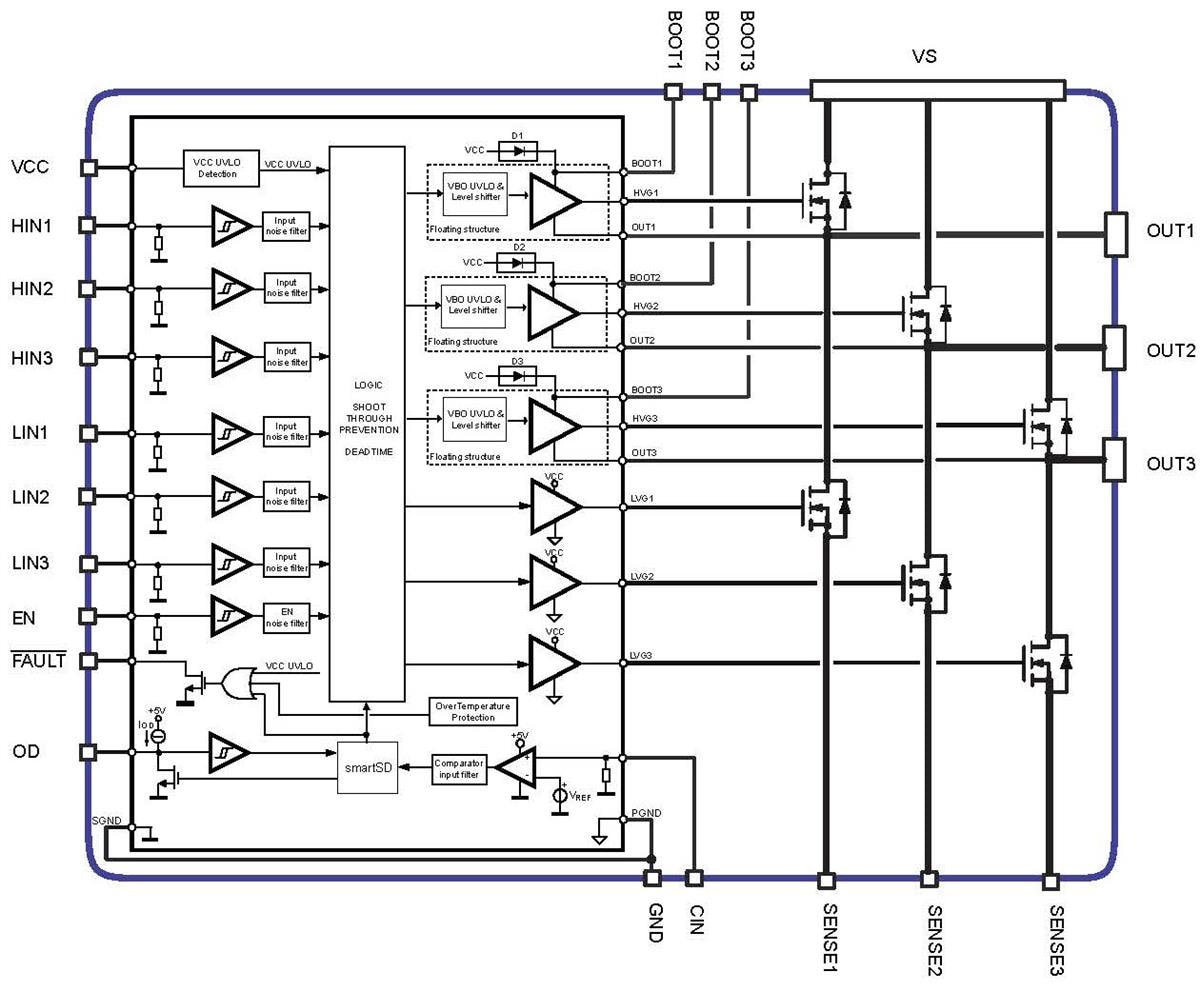
STMicroelectronics PWD5T60 Three-Phase High-Density Power Drivers feature an integrated gate driver and six N-channel power MOSFETs. The STMicroelectronics PWD5T60 drivers are ideal for motor drive applications like fans, pumps, and small appliances. The drivers feature MOSFETs with 1.38Ω RDS(on) and 500V blocking voltage. The devices' high integration enables efficient load driving in a reduced footprint, perfect for space-constrained setups.The drivers have a dedicated input pin for each output, a shutdown pin, and CMOS/TTL compatible logic inputs down to 3.3V, which ensures easy interfacing. Matched delays between low-side and high-side sections allow distortion-free, high-frequency operation. Robustness is ensured with interlocking and deadtime functions and advanced protection features like smart ShutDown for overload and overcurrent. UVLO protections on both sides prevent low efficiency or dangerous conditions, ensuring fail-safe operation. Integrated bootstrap diodes and other features simplify PCB layout and reduce overall costs. The drivers are housed in a compact VFQFPN 12mm x 12mm x 0.95mm package.
Features
- Power driver integrating a gate driver and high-voltage power MOSFETs RDS(on) = 1.38Ω
- BVDSS = 500V
- Wide input supply voltage range from 9V to 20V
- Integrated zero-drop bootstrap diodes
- Comparator for fast overcurrent protection with Smart ShutDown functionality
- Overtemperature protection
- 3.3V, 5V TTL/CMOS inputs with hysteresis
- Matched propagation delay for all channels
- UVLO functions on low-side and high-side
- Interlocking and dead time functions
- Dedicated enable pin
- Very compact and simplified layout
Applications
- 3-phase inverters
- Fans and pumps
- Home and industrial appliances
- Refrigerator compressors
Block Diagram
Videos
Additional Resources
- UM3042 STM32 Motor Control SDK - 6-Step Firmware Library
- UM3259 STM32 Motor Control SDK - 6-Step Firmware Sensor-Less Parameter Optimization
- AN6060 VIPower M0-9 Motor Drivers for Automotive DC Motor Control
- An Introduction to Electric Motors
- High-Performance, 3-Phase Motor Controller with STM32G4 MCU
- STSPIN32 - High-Voltage 3-Phase Motor Controllers with Embedded STM32 MCU
- STSPIN Motor Drivers
- Motor Control Reference Guide
- Motor Driver ICs for Industrial Applications
- Products and Solutions for Smart Industry
- STM32 Nucleo Expansion Boards Motor Control Selection Guide
- STSPIN Motor Control: Design Considerations for Brushless Direct Current Motor Control
Publicerad: 2024-05-30
| Uppdaterad: 2024-11-15
