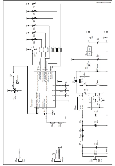
STMicroelectronics STEVAL-IHM029V2 Universal Motor Control Eval Board
STMicroelectronics STEVAL-IHM029V2 Universal Motor Control Evaluation Board is designed for the home appliance market, with particular focus on vacuum cleaners, food processors and power tools. This system features the 20-pin, 8-bit microcontroller running at 16MHz (user-trimmable internal RC clock). It also includes 4KB of Flash memory, a 10-bit A/D converter, 8/16 bit timers, communication interfaces and 640 bytes of E2PROM. The power supply circuitry features the VIPer16L. This is an off-line converter with an 800V avalanche-rugged power section, operating at 60kHz.Features
- 90VAC to 265VAC, 50Hz/60Hz input voltage range
- 12VDC/5VDC auxiliary power supply based on the VIPer16L in buck converter topology
- Total power consumption below 300mW in standby mode
- Maximum output power: 1500W
- 20-pin, 8-bit STM8S103F2 MCU as main controller
- Employs zero-voltage switching (ZVS) to synchronize MCU events with the voltage mains
- Motor driven by T1235T Triac in phase-angle control
- 5 power levels and standby mode selectable by potentiometer
- 5 LEDs to display the power level of the board
- "RUN" LED to indicate the board is functioning
- Standard in-circuit programming connector
- IEC 61000-4-4 pre-compliance test passed (burst up to 8kV)
- IEC 61000-4-5 pre-compliance test passed (surge up to 2kV)
- RoHS compliant
Circuit Schematic
Publicerad: 2015-02-18
| Uppdaterad: 2022-03-11
