STMicroelectronics STEVAL-MKI234KA Evaluation Kit
STMicroelectronics STEVAL-MKI234KA Evaluation Kit is based on the LSM6DSV16BX inertial module with a Qvar electrostatic sensor. This evaluation kit includes three different electrodes to make it compatible with the STEVAL-MKI109V3 motherboard. The STEVAL-MKI234KA features a complete LSM6DSV16BX pinout for a standard DIL 24 socket and is used with the decoupling capacitors on the VDD power supply line. The STEVAL-MKE00xAA can be plugged into the STEVAL-MKI234A board. The STEVAL-MKI109V3 motherboard supports the adapter, including a high-performance 32-bit microcontroller as a bridge between the sensor and the PC. The evaluation kit can use the downloadable graphical user interface or dedicated software routines for customized applications and plug the board into an X-NUCLEO-IKS01A3 expansion board.Features
- User-friendly LSM6DSV16BX board
- Complete LSM6DSV16BX pinout for a standard DIL 24 socket
- Fully compatible with the STEVAL-MKI109V3 motherboard
- RoHS compliant
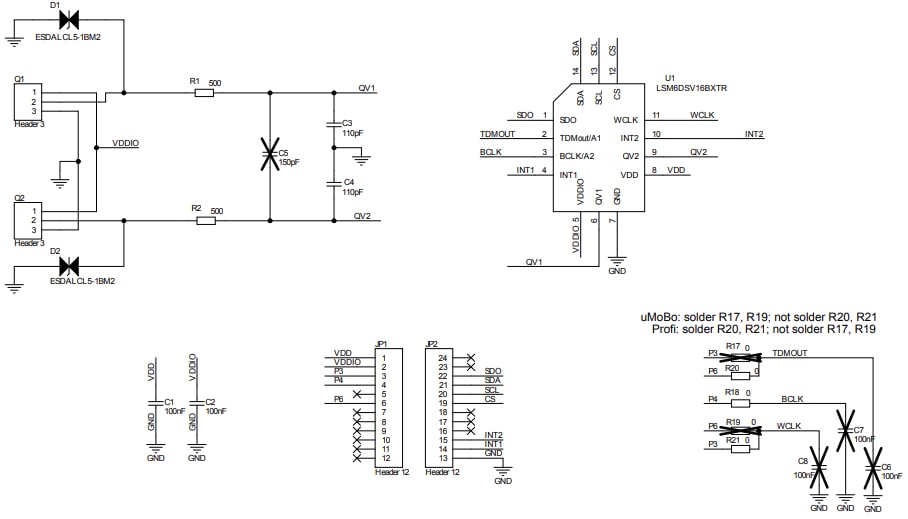
Schematic Diagram
Publicerad: 2023-01-24
| Uppdaterad: 2023-03-29
