STMicroelectronics TDA7498 BTL Class-D Audio Amplifiers

STMicroelectronics TDA7498 BTL Class-D Audio Amplifiers comprise dual (TDA7498 / TDA7498L) and mono (TDA7498MV) devices with a single power supply. These STMicroelectronics devices are designed for home systems and active speaker applications. STMicroelectronics TDA7498 Class-D Audio Amplifiers come in a 36-pin PowerSSO package with an exposed pad (EPU) to facilitate mounting a separate heatsink. The TDA7498 and TDA7498MV feature 100W + 100W output power at THD=10% with RL=6Ω and VCC=36V and 80W + 80W output power at THD=10% with RL=8Ω and VCC=34V. The TDA7498L features 80W + 80W output power at THD=10% with RL=6Ω and VCC=32V and 70W + 70W output power at THD=10% with RL=8Ω and VCC=34V.

Features

  • 100-W + 100-W output power at THD = 10% with RL= 6Ω and VCC = 36V (TDA7498 / TDA7498MV)
  • 80-W + 80-W output power at THD = 10% with RL = 8Ω and VCC = 34V (TDA7498 / TDA7498MV)
  • 80-W + 80-W output power at THD = 10% with RL = 6Ω and VCC = 32V (TDA7498L)
  • 70-W + 70-W output power at THD = 10% with RL = 8Ω and VCC = 34V (TDA7498L)
  • Wide-range single-supply operation (14-39V)
  • High efficiency (η= 90%)
  • Four selectable, fixed gain settings of nominally 25.6dB, 31.6dB, 35.1dB and 37.6 dB
  • Differential inputs minimize common-mode noise
  • Standby and mute features
  • Short-circuit protection
  • Thermal overload protection
  • Externally synchronizable

Applications

  • Home Systems
  • Active Speakers

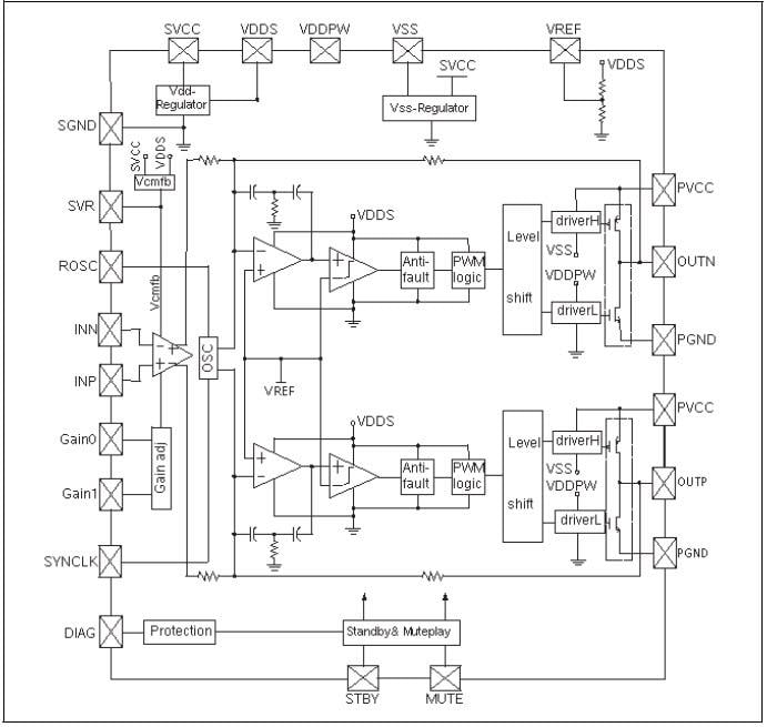
Block Diagram

Block Diagram - STMicroelectronics TDA7498 BTL Class-D Audio Amplifiers
Publicerad: 2011-12-08 | Uppdaterad: 2022-03-11