Taiwan Semiconductor TSM600NA25CIT N-Channel Power MOSFET
Taiwan Semiconductor TSM600NA25CIT N-Channel Power MOSFET is a 250V low-voltage and single configuration MOSFET built with Trench technology. This MOSFET features a 22A continuous drain current, 60mΩ drain-source resistance, 78W power dissipation, and 71nC gate charge. The TSM600NA25CIT MOSFET offers 22pF reverse transfer capacitance and is Pb-free, halogen-free, and RoHS compliant. This power MOSFET is ideally used in Uninterruptible Power Supply (UPS), AC-DC power supply, and lighting applications.Features
- Single configuration and N-channel MOSFET
- Trench technology
- 250V low drain-source voltage (VDS)
- 22A continuous drain current (ID) @ (TC=25°C)
- 60mΩ low drain-source resistance (RDS(ON)) (maximum)
- 71nC low gate charge (Qg) (Typical)
- 22pF low reverse transfer capacitance (Crss) (Typical)
- 78W power dissipation (Pd)
- -55°C to 150°C operating temperature range
- RoHS compliant
- Pb-free
- Halogen-free
- Isolation voltage 2500V/1min
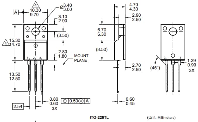
- ITO-220TL package
Applications
- Uninterruptible Power Supply (UPS)
- AC-DC power supply
- Lighting
Package Outline Dimensions
Publicerad: 2024-03-11
| Uppdaterad: 2024-03-22
