M5Stack AIN4-20mA Module 13.2

M5Stack AIN4-20mA Module 13.2 Quad-channel current analog acquisition module that adopts the STM32G030F6 central control chip and a dedicated acquisition chip. This module offers isolation to communicate with the M5 host for I2C communication. The AIN4-20mA module 13.2 supports externally powered wiring via jumper caps and internal switching. This module offers an Onboard power isolation chip, ensures signal accuracy and system safety, and built-in op amp circuitry accurately measures external current sensors. The AIN4-20mA module 13.2 regarding power supply, the DC-JACK interface, and the corresponding DC-DC boost circuit provide power to the entire device.

This module features a built-in galvanic isolation chip and supports Arduino, UIFlow, and other programming platforms. The AIN4-20mA module 13.2 operates at 0°C to 40°C temperature range and 9V to 24V supply voltage range. This module is ideally used in motor control and energy management.

Features

  • STM32G030F6® 32-bit Cortex®-M0+ CPU
  • I2C communication
  • Support four 2 or 4-wire sensors, jumper cap switching
  • Built-in galvanic isolation chip
  • Support Arduino, UIFlow, and other programming platforms
  • 0°C to 40°C temperature range
  • 9V to 24V supply voltage range

Kit Contents

  • 1x AIN4-20mA module 13.2
  • 12x jumper cap
  • 5mm x 2.54mm plug-in terminal block

Applications

  • Power system equipment monitoring
  • Motor control
  • Energy management
  • Automation and industrial process control

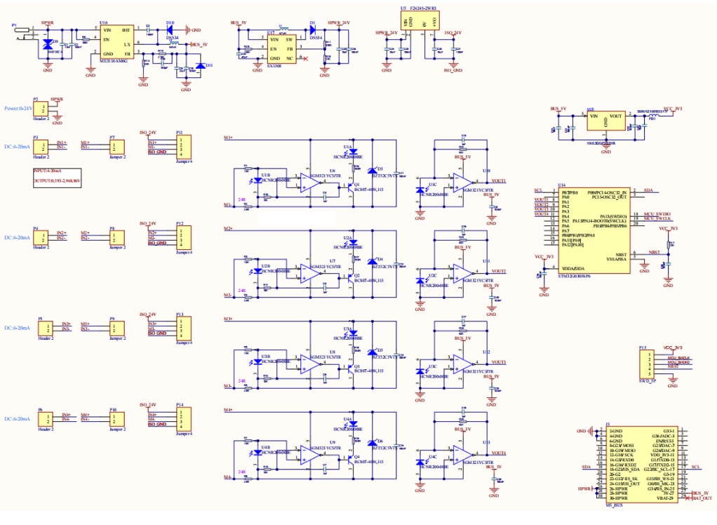
Schematic Diagram

Schematic - M5Stack AIN4-20mA Module 13.2

Dimension Diagram

Mechanical Drawing - M5Stack AIN4-20mA Module 13.2
Publicerad: 2023-08-14 | Uppdaterad: 2023-10-04