Texas Instruments ADC324x 14-Bit Analog-to-Digital Converters
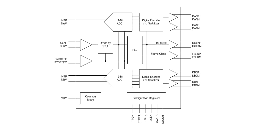
Texas Instruments ADC324x 14-Bit Analog-to-Digital Converters (ADCs) are a high-linearity, ultra-low power, dual-channel, 14-bit, 25-MSPS to 125-MSPS ADC family. The devices are designed specifically to support demanding, high input frequency signals with large dynamic range requirements. An input clock divider allows more flexibility for system clock architecture design and the SYSREF input enables complete system synchronization. The ADC324x family supports serial low-voltage differential signaling (LVDS) in order to reduce the number of interface lines, thus allowing for high system integration density. The serial LVDS interface is two-wire, where each ADC data are serialized and output over two LVDS pairs. An internal phase-locked loop (PLL) multiplies the incoming ADC sampling clock to derive the bit clock that is used to serialize the 14-bit output data from each channel. In addition to the serial data streams, the frame and bit clocks are also transmitted as LVDS outputs.Features
- Dual channel
- 14-Bit resolution
- Pin-to-Pin compatible with 12-bit version
- SNR = 72.4dBFS, SFDR = 87dBc at fIN = 70MHz
- Ultra-low power consumption
- 116mW/Ch at 125MSPS
- VQFN-48 (7mm×7mm) package
Block Diagram
Publicerad: 2015-02-23
| Uppdaterad: 2025-06-24
