Texas Instruments ADC358x Low-Noise Low Power ADCs
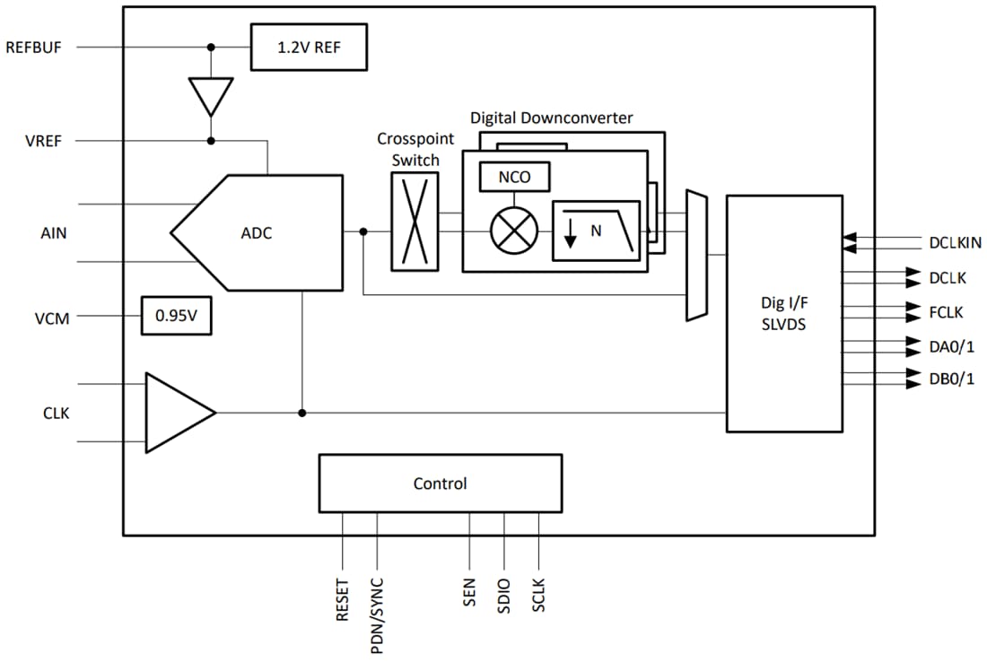
Texas Instruments ADC358x Low-Noise Low Power Analog-to-Digital Converters (ADCs) are low noise, ultra-low power 18-bit 65MSPS high-speed ADC family. Designed for low noise performance, it delivers a noise spectral density of -160dBFS/Hz combined with excellent linearity and dynamic range. The ADC358x offers outstanding DC precision and IF sampling support, making it suited for a wide range of applications. High-speed control loops benefit from the short latency, as low as only one clock cycle. The ADC consumes only 119mW at 65Msps and its power consumption scales well with lower sampling rates.The Texas Instruments ADC358x uses a serial LVDS (SLVDS) interface to output the data, which minimizes the number of digital interconnects. The device supports a one-lane and two-lane option. The ADC358x is a pin-to-pin compatible family with different speed grades. It comes in a 40-pin QFN package (5mm x 5 mm) and supports the extended industrial temperature range from -40 to +105⁰C.
Features
- 18-bit 10/25/65MSPS ADC
- -160dBFS/Hz noise floor
- 77mW (10MSPS) to 119mW (65MSPS) ultra-low power with optimized power scaling
- One clock cycle (1-wire SLVDS) latency
- Specified 18-bit, no missing codes
- INL/DNL: ±7/ ±0.7LSB (typ.)
- Reference (external or internal)
- 900MHz (3dB) input bandwidth
- -40 to +105°C industrial temperature range
- On-chip digital filter (optional)
- Decimation by 2, 4, 8, 16, 32
- 32-bit NCO
- Serial LVDS digital interface (2-, 1- and 1/2-wire)
- 40-WQFN (5mm x 5mm) small footprint package
- Spectral Performance (fIN = 1MHz)
- SNR: 84.5dBFS
- SFDR: 95dBc HD2, HD3
- SFDR: 100dBFS Worst Spur
- Spectral Performance (fIN = 20MHz)
- SNR: 83.5dBFS
- SFDR: 90dBc HD2, HD3
- SFDR: 95dBFS Worst Spur
Applications
- High-speed data acquisition
- Industrial monitoring
- Software-defined radio
- Power quality analyzer
- Source Measurement Unit (SMU)
- Communications infrastructure
- Spectrum analyzer
- Control loops
- Instrumentation
- Imaging
- Spectroscopy
- Radar
- Sonar
Functional Block Diagram
Publicerad: 2022-12-12
| Uppdaterad: 2023-01-05
