Texas Instruments bq25616/616J Buck Battery Chargers
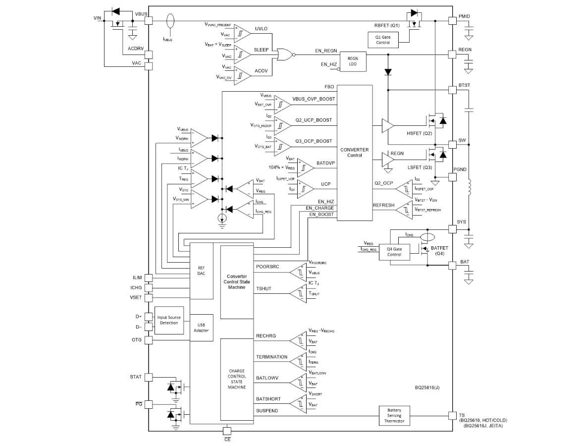
Texas Instruments bq25616/616J Buck Battery Chargers have highly integrated 3A switch-mode battery charge management and are system power path management devices for single-cell Li-Ion and Li-polymer batteries. The solution is highly integrated, with input reverse-blocking FET (RBFET, Q1), high-side switching FET (HSFET, Q2), low-side switching FET (LSFET, Q3), and battery FET (BATFET, Q4) between system and battery. The low-impedance power path optimizes switch-mode operation efficiency, reduces battery charging time, and extends battery run time during discharging.The Texas Instruments bq25616/616J features fast charging with high input voltage support for various applications, including speakers and industrial and medical portable devices. The device supports a wide range of input sources, including a standard USB host port, USB charging port, USB-compliant high voltage adapter, and wireless power. The bq25616/616J Buck Battery Chargers meet USB On-The-Go (OTG) operation power rating specification by supplying 5V with a constant current limit of up to 1.2A.
The Power Path management regulates the system slightly above the battery voltage but does not drop below the 3.5V minimum system voltage with an adapter applied. With this feature, the system maintains operation even when the battery is completely depleted or removed. The bq25616/616J initiates and completes a charging cycle without software control. It senses the battery voltage and charges it in three phases: pre-conditioning, constant current, and constant voltage.
Features
- High-efficiency, 1.5MHz, synchronous switch-mode buck charger
- 92% charge efficiency at 2A from 5V input
- ±0.5% charge voltage regulation
- Adjustable charge voltage from VSET pin supports 4.1V, 4.2V, and 4.35V with ±0.4% regulation accuracy
- ±6% charge current regulation
- ±7.5% input current regulation
- Supports JEITA (bq25616J) or Hot/Cold (bq25616) temperature sensing profile
- 20-hr charging safety timer
- Supports USB On-The-Go (OTG)
- 5V boost converter with up to 1.2A output
- 92% boost efficiency at 1A output
- Accurate constant current (CC) limit
- Soft-start up to 500µF capacitive load
- PFM mode for a light load operation
- High integration includes all MOSFETs, current sensing, and loop compensation
- Single input supporting USB input, high-voltage adapter, or wireless power
- Support 4V to 13.5V input voltage range with 22V absolute max input rating
- 130ns fast turn-off with optional external OVPFET standing input voltage up to 30V
- Programmable input current limit (IINDPM) with ILIM pin
- VINDPM threshold automatically tracks battery voltage for maximum power
- Auto-detect USB SDP, CDP, DCP, and non-standard adaptors
- Narrow VDC (NVDC) power path management
- System instant-on with no battery or deeply discharged battery
- Low RDSON 19.5mΩ BATFET to minimize charging loss and extend battery run time
- 9.5µA low battery leakage current with system standby
Applications
- Electronic Point of Sale (EPOS)
- Wireless speaker
- Industrial, medical, portable electronics
Block Diagram
