Texas Instruments bq25758S Bi-Directional Buck-Boost Controller
Texas Instruments bq25758S Bi-Directional Buck-Boost Controller is a wide input voltage, bidirectional switched-mode buck-boost controller. The device offers high-efficiency power conversion with output CC-CV control over a wide voltage range. The device integrates all the loop compensation for the buck-boost converter, providing a high-density solution with ease of use. In reverse mode, the device draws power from the output supply and regulates the input terminal voltage with an added constant current loop for protection.The Texas Instruments bq25758S supports programmable hardware limits in addition to the I2C host-controlled mode. A single resistor on the IIN and IOUT pins can set input current and output current regulation targets. The device is programmed to provide 5V output by default, and the target output voltage can be adjusted via the VOUT_REG register bits.
Features
- 4.4V to 26V wide input voltage operating range
- Synchronous buck-boost DC-DC controller with NFET drivers
- Adjustable switching frequency from 200kHz to 600kHz
- Optional synchronization to external clock
- Integrated loop compensation with soft start
- Selectable PFM operation for light load efficiency improvement
- Optional gate driver supply input for optimized efficiency
- Support USB-PD Extended Power Range (EPR) in forward and reverse power direction
- Adjustable input and output voltage regulation from 3.3V to 26V with 20mV/step
- Adjustable input and output current regulation (RAC_SNS, ROUT_SNS) from 400mA to 20A with 50mA/step using 5mΩ resistor
- High accuracy
- ±2% output voltage regulation
- ±3% output current regulation
- ±2% input voltage regulation
- ±3% input current regulation
- Bypass mode for highest efficiency with VOUT = VAC
- Buck-only mode
- I2C controlled for optimal system performance with a resistor-programmable option
- Hardware adjustable input and output current limits
- Integrated 16-bit ADC for voltage, current, and temperature monitoring
- High safety integration
- Adjustable input overvoltage and undervoltage protection
- Output Overvoltage and overcurrent protection
- Thermal shutdown
- Status outputs
- Adapter present status (PG)
- Switcher operation status (STAT)
- 36-pin 5mm × 6mm QFN package
Applications
- Docking station
- Monitor
- USB-PD EPR (Extended Power Range)
- Buck-Boost and Buck-only operation
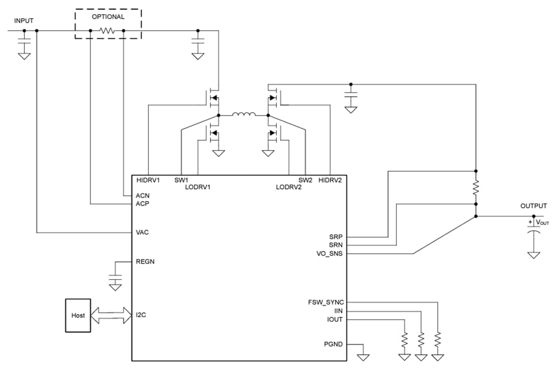
Simplified Schematic
Publicerad: 2024-09-24
| Uppdaterad: 2024-10-02
