Texas Instruments CC3235MODx SimpleLink Wireless MCU Module
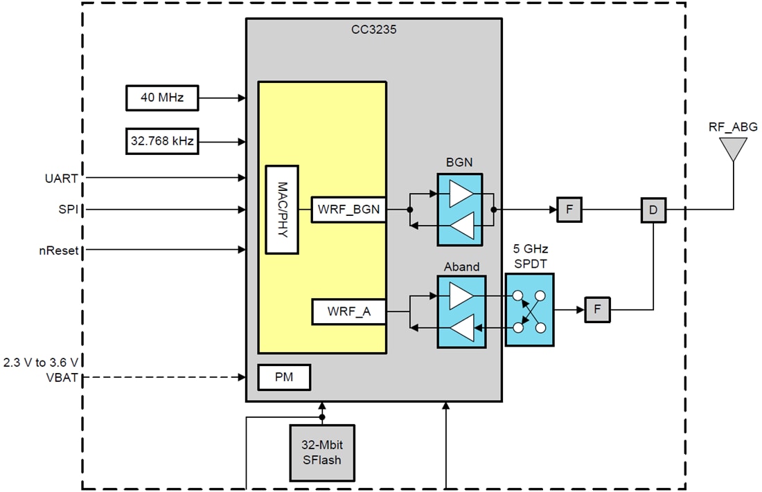
Texas Instruments CC3235MODx SimpleLink Dual-Band Wireless MCU Module is a fully programmable FCC, ISED/IC, ETSI/CE, and MIC Certified wireless microcontroller (MCU) module with built-in dual-band Wi-Fi® connectivity. The modules integrate the 40MHz crystal, 32.768kHz RTC clock, 32Mb SPI serial Flash, RF filters, diplexer, and passive components. The SimpleLink™ CC3235MODx module family has two module variants (CC3235MOS and CC3235MODSF). The CC3235MODS includes 256KB of RAM, IoT networking security, and device identity/keys. The device also has MCU-level security features such as file system encryption, user IP (MCU image) encryption, and secure boot and debug security. The CC3235MODSF builds on the CC3235MODS and integrates a user-dedicated 1MB of executable flash and 256KB of RAM.Created for IoT, the Texas Instruments SimpleLink™ Wi-Fi® CC3235MODx module family is a wireless module that integrates two physically separated on-chip MCUs. It includes an application processor—Arm® Cortex®-M4 MCU with a user-dedicated 256KB of RAM and an optional 1MB of executable flash. It also has a network processor to run all Wi-Fi® and Internet logical layers. This ROM-based subsystem completely offloads the host MCU and includes an 802.11 a/b/g/n dual-band 2.4GHz and 5GHz radio, baseband, and MAC with a powerful hardware cryptography engine.
Features
- Fully integrated and green/RoHS modules include all required clocks, SPI Flash, and passives
- 802.11 a/b/g/n: 2.4GHz and 5GHz
- FCC, IC/ISED, ETSI/CE, and MIC Certified
- FIPS 140-2 Level 1 Validated IC Inside
- Multilayered security features help developers protect identities, data, and software IP
- Low-power modes for battery powered application
- Coexistence with 2.4GHz radios
- –40°C to +85°C industrial temperature
- CC3235MODx multiple-core architecture, system-on-chip (SoC)
- 1.27mm pitch QFM package for easy assembly and low-cost PCB design
- Transferrable Wi-Fi Alliance® Certification
- Application microcontroller subsystem
- Arm Cortex-M4 core at 80MHz
- User-dedicated memory
- 256KB RAM
- Optional 1MB executable Flash
- Rich set of peripherals and timers
- McASP supports two I2S channels
- SD, SPI, I2C, UART
- 8-bit synchronous imager interface
- 4-Channel 12-bit ADCs
- Four General-Purpose Timers (GPT) with 16-bit PWM mode
- Watchdog timer
- Up to 27 GPIO Pins
- Debug interfaces of JTAG, cJTAG, SWD
- Wi-Fi network processor subsystem
- Wi-Fi core
- 802.11 a/b/g/n 2.4GHz and 5GHz
- Modes
- Access Point (AP)
- Station (STA)
- Wi-Fi Direct® (only supported on 2.4GHz)
- Security
- WEP
- WPA™/WPA2™ PSK
- WPA2 Enterprise
- Internet and application protocols
- HTTPs server, mDNS, DNS-SD, DHCP
- IPv4 and IPv6 TCP/IP stack
- 16 BSD sockets (fully secured TLS v1.2 and SSL 3.0)
- Built-in power management subsystem
- Configurable low-power profiles (always on, intermittently connected, tag)
- Advanced low-power modes
- Integrated DC/DC regulators
- Wi-Fi core
- Multilayered security features
- Separate execution environments
- Networking security
- Device identity and key
- Hardware accelerator cryptographic engines (AES, DES, SHA/MD5, CRC)
- File system security (encryption, authentication, access control)
- Initial secure programming
- Software tamper detection
- Secure boot
- Certificate signing request (CSR)
- Unique per device key pair
- Application throughput
- UDP: 16Mbps
- TCP: 13Mbps
- Power-Management Subsystem
- Integrated DC/DC converters support a wide range of supply voltage
- Single wide-voltage supply, VBAT: 2.3V to 3.6V
- Advanced low-power modes
- Shutdown: 1µA, Hibernate: 5.5µA
- Low-power deep sleep (LPDS): 120µA
- Idle connected (MCU in LPDS): 710µA
- RX traffic (MCU active): 59mA
- TX traffic (MCU active): 223mA
- Wi-Fi TX power
- 2.4GHz: 16dBm at 1 DSSS
- 5GHz: 15.1dBm at 6 OFDM
- Wi-Fi RX sensitivity
- 2.4GHz: –94.5dBm at 1 DSSS
- 5GHz: –89dBm at 6 OFDM
- Integrated DC/DC converters support a wide range of supply voltage
- Additional integrated components
- 40.0MHz crystal
- 32.768kHz crystal (RTC)
- 32Mbit SPI serial Flash
- RF filters, diplexer, and passive components
- Footprint-compatible QFM package
- CC3235MODx: 1.27mm pitch, 63-pin, 20.5mm×17.5mm
- The module supports SimpleLink developer’s ecosystem
Applications
- For Internet of Things applications, such as
- Medical and healthcare
- Multiparameter patient monitor
- Electrocardiogram (ECG)
- Electronic hospital bed and bed control
- Telehealth systems
- Building and home automation
- HVAC systems and thermostats
- Video surveillance, video doorbells, and low-power camera
- Building security systems and E-locks
- Appliances
- Asset tracking
- Factory automation
- Grid infrastructure
- Medical and healthcare
Videos
Functional Block Diagram
Publicerad: 2019-09-10
| Uppdaterad: 2023-11-06
