Texas Instruments DRV8410 Dual H-Bridge Motor Driver
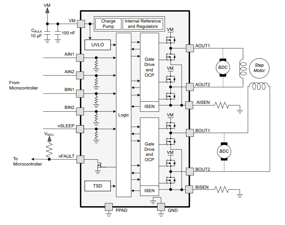
Texas Instruments DRV8410 Dual H-Bridge Motor Driver manages one or two DC brush motors, one stepper motor, solenoids, or other inductive loads. The triple charge pump enables the DRV8410 to operate down to 1.65V, accommodating 1.8V supply rails and low-battery conditions. The charge pump integrates all capacitors and supplies a 100% duty cycle operation. Meanwhile, the inputs and outputs can be paralleled to drive high-current brush DC motors with half the RDS(ON). The device implements current regulation by comparing an internal reference voltage to the voltage on the xISEN pins, which is proportional to the motor current through an external sense resistor. Limiting the current can significantly diminish large currents during motor startup and stall conditions.A low-power sleep mode accomplishes ultra-low quiescent current draw by shutting down most of the internal circuitry. Internal protection features include undervoltage, overcurrent, and overtemperature. The DRV8410 is part of a family of devices with pin-to-pin, scalable RDS(ON) options to support various loads with minimal design changes.
Features
- Dual H-bridge motor driver, can drive -
- One bipolar stepper motor
- One or two brushed DC motors
- Solenoids and other inductive loads
- HS + LS = 800mΩ (typical, 25°C) low ON-resistance
- 1.65V to 11V wide power supply voltage range
- Pin-to-pin compatible with -
- DRV8833 has 360mΩ/bridge
- DRV8833C has 1735mΩ/bridge
- DRV8847 has 1000mΩ/bridge
- DRV8411 has 400mΩ/bridge
- DRV8411A has 400mΩ/bridge
- 2.5A peak high output current capability
- PWM control interface
- Supports 1.8V, 3.3V, and 5V logic inputs
- Integrated current regulation
- Low-power sleep mode of ≤30nA at VVM = 5V, TJ = +25°C
- Small package and footprint
- 16-pin HTSSOP with PowerPAD™, 5.0mm x 4.4mm
- 16-Pin WQFN with PowerPAD™, 3.0mm x 3.0mm
- Integrated protection features
- VM undervoltage lockout (UVLO)
- Auto-retry overcurrent protection (OCP)
- Thermal shutdown (TSD)
- Fault Indication Pin (nFAULT)
Applications
- Battery-powered toys
- POS Printers
- Video security cameras
- Office automation machines
- Gaming machines
- Robotics
- Electronic smart locks
- General-purpose solenoid loads
Simplified Schematic
Functional Block Diagram
Publicerad: 2022-12-19
| Uppdaterad: 2024-07-15
