Texas Instruments DRV8848 Dual H-bridge Motor Drivers
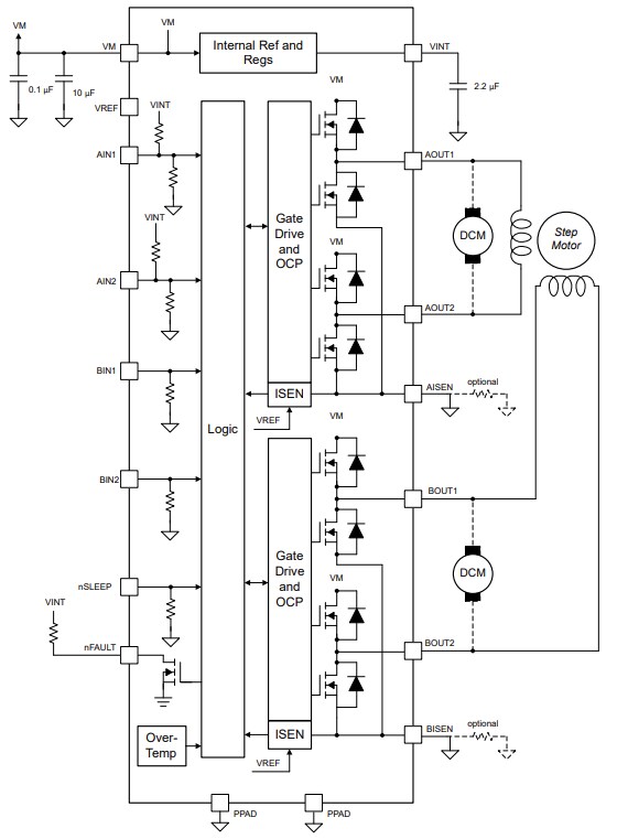
Texas Instruments DRV8848 Dual H-bridge Motor Drivers integrate two H-bridges that use NMOS drivers and current sense regulation circuitry. The output block of each H-bridge driver consists of N-channel and P-channel power MOSFETs configured as full H-bridges to drive motor windings. Each H-bridge includes circuitry to regulate the winding current using a fixed off-time chopping scheme. These drivers drive up to 2A current from each output or 4A of current in parallel mode (with proper heat sinking, at 12V and 25°C TA). The DRV8848 drivers feature Under Voltage Lockout (UVLO), Overcurrent Protection (OCP), Thermal Shutdown (TSD), and fault condition indication pin (nFAULT). These drivers are used in appliances, general brushed and stepper motors, and printers.Features
- Dual H-bridge motor driver:
- Single/dual brushed DC
- Stepper
- High output current per H-bridge:
- 2A maximum driver current at 12V and TA=25°C
- Parallel mode available capable of 4A maximum driver current at 12V and TA=25°C
- 4 to 18V operating supply voltage range
- HS + LS=900mΩ (Typical, 25°C) low ON-resistance
- PWM control interface
- Optional current regulation With 20μs fixed off-time
- Low-current 3µA sleep mode
- Thermally-enhanced surface mount package
- Protection functions:
- Undervoltage Lockout (UVLO)
- Overcurrent Protection (OCP)
- Thermal Shutdown (TSD)
- Fault Condition Indication Pin (nFAULT)
Applications
- Printers
- General brushed and stepper motors
- Appliances
Functional Block Diagram
Simplified Schematic Diagram
Publicerad: 2025-01-22
| Uppdaterad: 2025-02-19
