Texas Instruments DS250DF410 Multi-Rate 4-Channel Retimer
Texas Instruments DS250DF410 Multi-Rate 4-Channel Retimer is a four-channel multi-rate retimer with integrated signal conditioning. It is used to extend the reach and robustness of long, lossy, crosstalk-impaired high-speed serial links while achieving a bit error rate (BER) of 10-15 or less. Each channel of the DS250DF410 independently locks to serial data rates in a continuous range from 20.6Gbps to 25.8Gbps. This device also supports sub-rates (÷2 and ÷4), including crucial data rates such as 10.3125Gbps and 12.5Gbps. This feature allows the Texas Instruments DS250DF410 to support individual lane Forward Error Correction (FEC) pass-through.Features
- Quad-channel multi-rate retimer with integrated signal conditioning
- All channels lock independently from 20.6 to 25.8Gbps (including sub-rates such as 10.3125Gbps, 12.5Gbps, and more)
- Ultra-low latency
- < 500ps typical for 25.78125Gbps data rate
- Single power supply, no low-jitter reference
- Clock required, and minimal supply decoupling to reduce board routing complexity and BOM cost
- Integrated 2×2 cross point
- Adaptive Continuous Time Linear Equalizer (CTLE)
- Adaptive Decision Feedback Equalizer (DFE)
- Low-jitter transmitter with 3-tap FIR filter
- Combined equalization supporting +35dB channel loss at 12.9GHz
- 205mVppd to 1225mVppd (typical) adjustable transmit amplitude
- On-chip Eye Opening Monitor (EOM), PRBS pattern checker/generator
- Supports JTAG/AC-JTAG boundary scan
- Small 6mm × 6mm BGA package with easy flow-through routing
Applications
- Jitter cleaning for front-port optical
- Active cable assemblies
- Backplane/mid-plane reach extension
- IEEE802.3bj 100GbE, Infiniband EDR, and OIFCEI-25G-LR/MR/SR/VSR electrical interfaces
- SFP28, QSFP28, CFP2/CFP4, CDFP
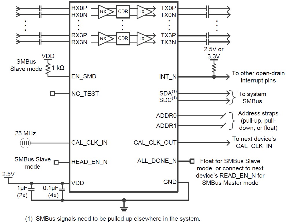
Simplified Schematic
Publicerad: 2016-05-03
| Uppdaterad: 2022-03-11
