Texas Instruments ISO1044DEVM CAN Transceiver Evaluation Module
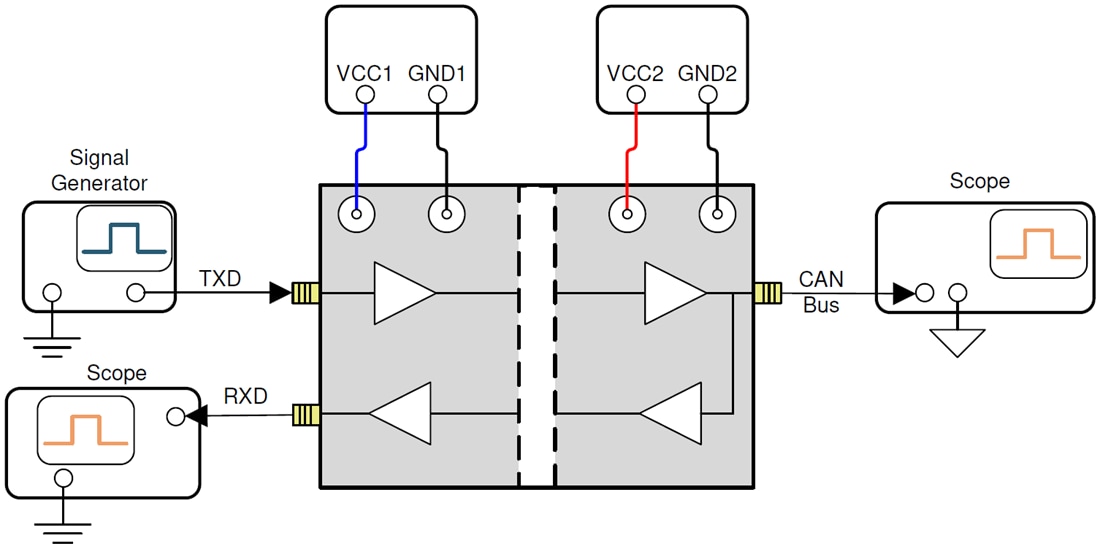
Texas Instruments ISO1044DEVM CAN Transceiver Evaluation Module (EVM) is used to evaluate the small package, basic isolation, high speed, robust EMC isolated CAN transceiver (ISO1044) in the SOIC-8D package. The evaluation module features enough test points and jumper options to evaluate the device with minimal external components. The evaluation module supports many options for CAN bus configuration. It is pre-configured with a split termination network with a common-mode capacitance and additional caps on the bus for protection.The Texas Instruments ISO1044DEVM also allows populating a 120Ω resistor, which can be used with the evaluation module as a terminated line end (CAN is defined for 120Ω impedance twisted pair cable). Pads are provided to add protection components like TVS diodes and common mode (CM) chokes. By default, bypass paths are used around those devices. The customer is allowed to install the desired components using these options.
Features
- Basic isolation (3kVrms), high speed, robust EMC isolated CAN
- 1.71V to 5.5V wide supply and level translation range
- High signaling rate of CAN FD up to 5Mbps
- Isolation barrier life > 25 years
- Small SOIC-8D package
Test Setup
Publicerad: 2020-05-05
| Uppdaterad: 2025-03-10
