Texas Instruments LM51231-Q1 Boost Controller
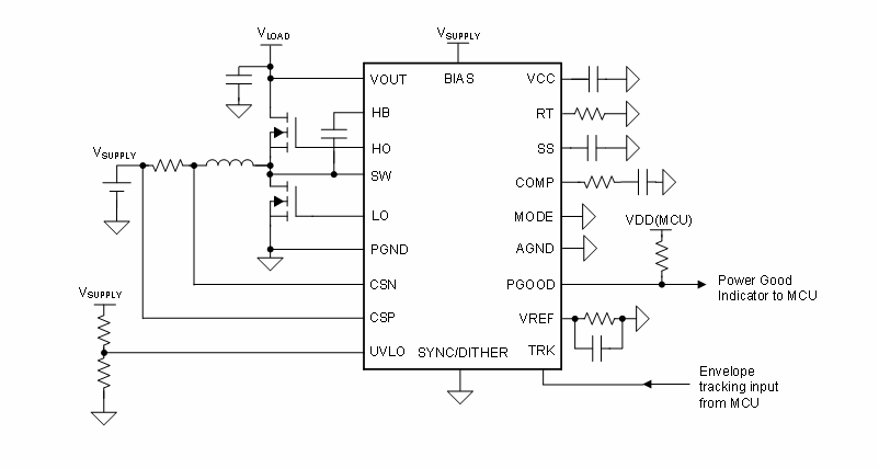
Texas Instruments LM51231-Q1 Boost Controller provides a wide input range and employs a peak current mode control. The wide input range supports automotive cold-crank and load dump. The minimum input voltage can be as low as 0.8V when BIAS is equal to or greater than 3.8V on the device. The LM51231-Q1 features an output voltage that can be dynamically programmed using the tracking function. At the same time, the bypass mode operation is automatically entered when VSUPPLY > VLOAD, eliminating the body diode drop of the high-side MOSFET. The switching frequency is dynamically programmed with an external resistor from 100kHz to 2.2MHz. Switching at 2.2MHz minimizes AM band interference and permits a small solution size and fast transient response.The TI LM51231-Q1 boost controller implements built-in protection features such as peak current limit, which is constant over VSUPPLY, overvoltage protection, and thermal shutdown. An external clock synchronization, programmable spread spectrum modulation, and a lead-less package with minimal parasitic further reduce EMI and avoid cross-talk. Additional features include line UVLO, FPWM, diode emulation, DCR inductor current sensing, programmable soft start, and a power-good indicator.
Features
- AEC-Q100 qualified for automotive applications
- Temperature grade 1 of -40°C to +125°C, TA
- Functional Safety-Capable
- Documentation available to aid functional safety system design
- Suited for a wide operating range of automotive battery-powered applications
- 3.8V to 42V input operating range
- Dynamically programmable VOUT from 5V to 20V, or from 15V to 57V
- Minimum boost input 0.8V when BIAS ≥ 3.8V
- Bypass operation when VSUPPLY > VLOAD
- BIAS shutdown current ≤3μA
- Small solution size
- Maximum switching frequency 2.2MHz
- Internal boot diode
- QFN-20 with wettable flanks
- EMI mitigation and avoiding AM band interference and crosstalk
- Optional clock synchronization
- Switching frequency from 100kHz to 2.2MHz
- Selectable switching mode (FPWM, diode emulation)
- Optional programmable spread spectrum
- Lead-less package
- Programmability and flexibility
- Dynamic VOUT tracking
- Dynamic switching frequency programming
- Supports DCR inductor current sensing
- Programmable input voltage UVLO
- Adjustable soft start
- Adaptive dead-time
- PGOOD indicator
- Integrated protection features
- Constant cycle-by-cycle peak current limit over VSUPPLY
- Overvoltage protection
- HB-SW short protection
- Thermal shutdown
Applications
- Automotive audio power supply with tracking
- Automotive LED bias supply
Typical Application
Publicerad: 2022-12-20
| Uppdaterad: 2025-03-05
