Texas Instruments LMG342xR030 GaN Field Effect Transistors (FETs)

Texas Instruments LMG342xR030 GaN Field Effect Transistors (FETs) come with an integrated driver and protection that enables designers to achieve new power density and efficiency levels in power electronics systems.

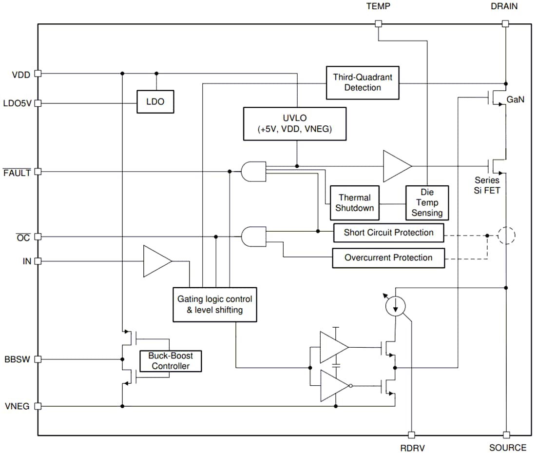
The Texas Instruments LMG342xR030 integrates a silicon driver that enables switching speeds up to 150 V/ns. TI’s integrated precision gate bias results in higher switching SOA compared to discrete silicon gate drivers. This integration, combined with TI’s low-inductance package, delivers clean switching and minimal ringing in hard-switching power supply topologies. Adjustable gate drive strength allows control of the slew rate from 20 V/ns to 150 V/ns, actively controlling EMI and optimizing switching performance. The LMG3425R030 includes ideal diode mode, which reduces third-quadrant losses by enabling adaptive dead-time control.

Advanced power management features include digital temperature reporting and fault detection. The temperature of the GaN FET is reported through a variable duty cycle PWM output, which simplifies managing device loading. Faults reported include overtemperature, overcurrent, and UVLO monitoring.

Features

  • Qualified for JEDEC JEP180 for hard-switching topologies
  • 600V GaN-on-Si FET with integrated gate driver
    • An integrated high precision gate bias voltage
    • 200V/ns CMTI
    • 2.2MHz switching frequency
    • 30V/ns to 150V/ns slew rate for optimization of switching performance and EMI mitigation
    • Operates from 7.5V to 18V supply
  • Advanced power management
    • Digital temperature PWM output
    • Ideal diode mode reduces third-quadrant losses in LMG3425R030
  • Robust protection
    • Cycle-by-cycle overcurrent and latched short-circuit protection with < 100ns response
    • Withstands 720V surge while hard-switching
    • Self-protection from internal overtemperature and UVLO monitoring

Applications

  • High-density industrial power supplies
  • Solar inverters and industrial motor drives
  • Uninterruptable power supplies
  • Merchant network and server PSU
  • Merchant telecom rectifiers

Functional Block Diagram

Block Diagram - Texas Instruments LMG342xR030 GaN Field Effect Transistors (FETs)
Publicerad: 2022-03-31 | Uppdaterad: 2025-08-08