Texas Instruments LMH32404/LMH32404-Q1 Transimpedance Amplifier
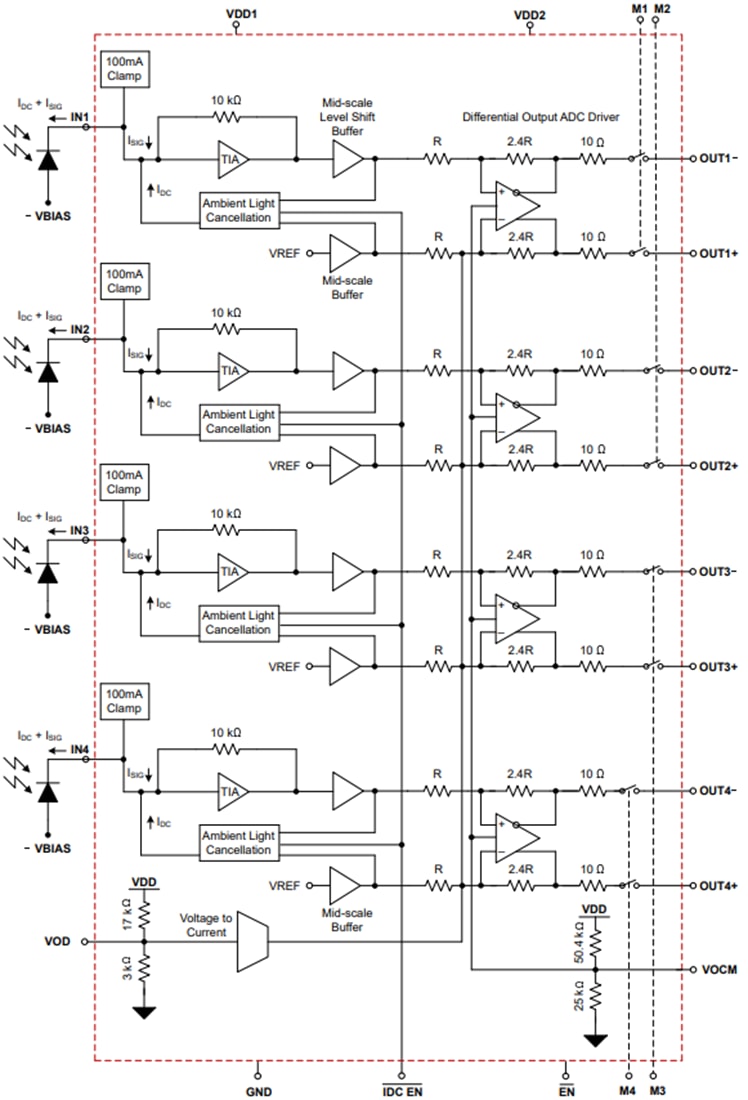
Texas Instruments LMH32404/LMH32404-Q1 Transimpedance Amplifier (TIA) is a quad-channel, single-ended-input to differential-output TIA for light detection and ranging (LIDAR) applications and laser distance measurement systems. The LMH32404/LMH32404-Q1 has an integrated 100mA clamp on each channel that protects the amplifier and allows the device to recover rapidly from an overloaded input condition. The LMH32404/LMH32404-Q1 also features an integrated ambient light cancellation (ALC) circuit on each channel that can be used instead of AC coupling between the photodiode and the amplifier to save board space and system cost. The ALC loop should be disabled when DC and low-frequency content is measured.Each LMH32404/LMH32404-Q1 channel has integrated switches to disconnect the differential output amplifier from the output pins and put the channel in standby mode. When switching between different channels, the transition time is only 10ns. The Texas Instruments LMH32404/LMH32404-Q1 can be placed in low-power mode using the EN pin to conserve power when the amplifier is not used. The LMH32404-Q1 devices are AEC-Q100 qualified for automotive applications.
Features
- 20kΩ gain
- Performance, CPD = 1pF
- 350MHz bandwidth
- 56nARMS input-referred noise
- 1.25ns rise, fall time
- 28mA/channel quiescent current
- 10mA/channel standby mode
- 2.5mA (4 channels) low power mode
- 10ns channel switching time
- Integrated ambient light cancellation
- Integrated 100mA protection clamp
- Four input channels and four differential output channels
- Integrated multiplexer enables flexible configurability between the optical sensor and ADC/TDC
- Multiple LMH32404s can be combined in parallel to create a wider field-of-view (FoV)
- –40°C to +125°C temperature range
Applications
- Mechanically scanning LIDAR
- Solid-state scanning LIDAR
- Laser distance meter
- Safety area scanner
Datasheets
Functional Block Diagram
Publicerad: 2021-10-11
| Uppdaterad: 2023-01-23
