Texas Instruments LMR23615/LMR23615-Q1 Step-Down Converter
Texas Instruments LMR23615/LMR23615-Q1 SIMPLE SWITCHER® Step-Down Converter is an easy-to-use 36V, 1.5A synchronous step-down regulator. With a wide input range from 4.5V to 36V, it is suitable for various industrial and automotive applications for power conditioning from unregulated sources. Peak current mode control is employed to achieve simple control loop compensation and cycle-by-cycle current limiting. A quiescent current of 75µA makes it suitable for battery-powered systems. An ultra-low 2µA shutdown current can further prolong battery life. Internal loop compensation means that the user is free from the tedious task of loop compensation design. This feature also minimizes the external components. The Texas Instruments LMR23615-Q1 devices are AEC-Q100 qualified for automotive applications.Features
- 4V to 36V input range
- 1.5A continuous output current
- Integrated synchronous rectification
- Current-mode control with internal compensation
- 60ns minimum switch ON-time
- Adjustable switching frequency
- PFM mode at light load
- Frequency synchronization to an external clock
- 75µA quiescent current
- Soft start into a pre-biased load
- High-duty cycle operation supported
- Output short-circuit protection with hiccup mode
- Thermal protection
- 12-pin WSON wettable flanks package with PowerPAD™
Applications
- Factory and building automation systems
- PLC CPU
- HVAC Control
- Elevator Control
- General-purpose wide VIN regulation
- GSM, GPRS modules for fleet management, smart grids, and security
Datasheets
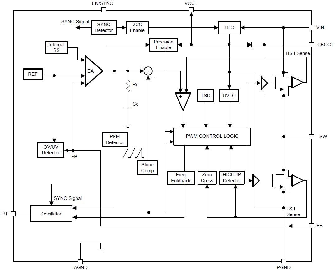
Functional Block Diagram
Publicerad: 2018-04-06
| Uppdaterad: 2022-11-22
