Texas Instruments LMR664x0/LMR664x0-Q1 Step-Down Converters
Texas Instruments LMR664x0/LMR664x0-Q1 Step-Down Converters are available in 2A and 1A variants in an enhanced HotRod QFN package. The small LMR664x0/-Q1 provides ease of use with a wide input voltage range of 2.7V to 36V (after start-up or operating) with transients up to 42V.The TI LMR664x0/LMR664x0-Q1 Converters are specially designed to fulfill low standby power requirements for always-on automotive applications. Auto mode allows frequency foldback when operating at light loads, permitting an unloaded typical current consumption of 1.5µA at 13.5VIN and high light load efficiency. A seamless transition between PWM and PFM modes and very low MOSFET ON resistances ensures excellent efficiency across the entire load range. The control architecture (peak current mode) and feature set are optimized for an ultra-small design size with minimal output capacitance. The TI LMR664x0/-Q1 minimizes input filter size using a dual-random spread spectrum (DRSS), a low-EMI enhanced HotRod QFN package, and a perfected pin-out. The MODE/SYNC pin can set or synchronize the frequency to avoid noise-sensitive frequency bands. There are NC pins between critical high voltage pins, decreasing potential failures (optimal pin FMEA). The rich feature set of the LMR664x0/-Q1 is created to simplify implementation for a wide range of automotive end equipment.
The LMR664x0-Q1 devices are AEC-Q100 qualified for automotive applications.
Features
- Functional Safety-Capable
- Documentation available to aid functional safety system design
- AEC-Q100-qualified for automotive applications:
- Temperature grade 1 of -40°C to +125°C, TA
- Optimized for low EMI requirements:
- Dual random spread spectrum reduces peak emissions
- Enhanced HotRod™ QFN package minimizes switch node ringing
- Greater than 85% efficiency at 1mA
- Designed for automotive applications:
- Junction temperature range of -40°C to +150°C
- NC pin between critical pins for better reliability
- Best-in-class pin FMEA
- Supports 42V automotive load dump transients
- Supports 3VIN for automotive cold crank
- Miniature design size and low component cost:
- 2.6mm x 2.6mm enhanced HotRod QFN package with wettable flanks
- Internal control loop compensation
Applications
- Advanced driver assistance systems: radar ECU
- Infotainment and cluster: head unit, eCall
- Body electronics and lighting
Datasheets
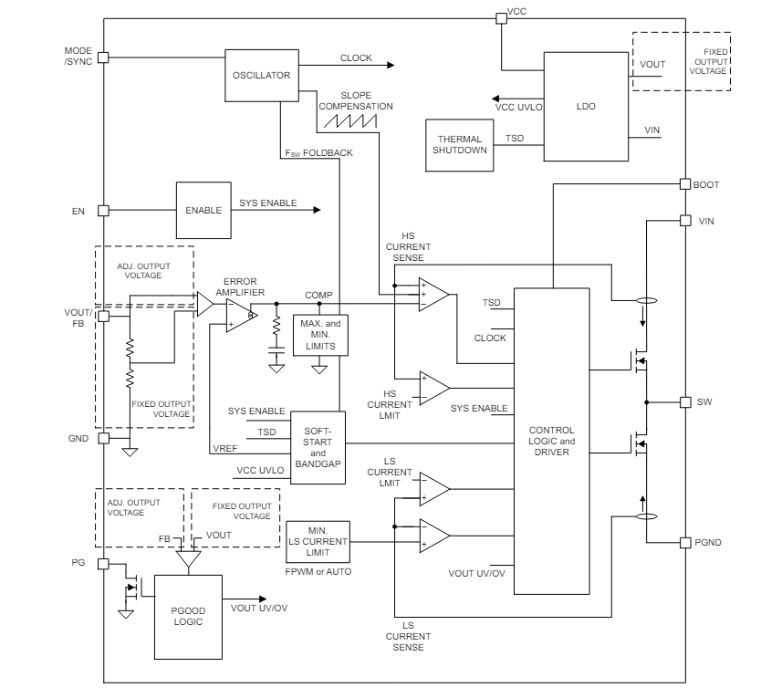
Block Diagram
