Texas Instruments LP5569 I2C RGB LED Driver
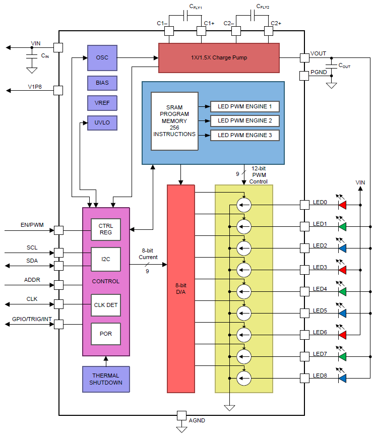
Texas Instruments LP5569 I2C RGB LED Driver is a programmable, easy-to-use 9-channel I2C LED driver designed to produce lighting effects for various applications. The LED driver is equipped with an internal SRAM memory for user-programmed sequences and three programmable LED engines, which allow operation without processor control. Autonomous operation reduces system power consumption when the processor is in sleep mode. A high-efficiency charge pump enables the driving of LEDs with high VF, even with a 2.5V input voltage. The LP5569 LED driver maintains good efficiency over a wide operating voltage range by autonomously selecting the best charge-pump gain based on LED forward voltage requirements.The Texas Instruments LP5569 device enters power-save mode when LEDs are not active, lowering idle-current consumption considerably. A flexible digital interface allows the connection of up to eight LP5569 devices with a unique I2C slave address for each device in the same system. This feature supports the synchronization of the lighting effects among all devices.
Features
- 2.5V–5.5V supply voltage range
- Nine high-accuracy current sinks
- 25.5mA maximum per channel
- 8-bit individual current control
- 12-bit 20kHz internal individual PWM control without audio noise
- Three programmable LED engines
- Independent illumination control without active microcontroller control
- Synchronization among multiple devices
- Up to 256 instructions in SRAM memory for storing sequences of lighting patterns
- LP5523 and LP55231 device-compatible command set
- Flexible dimming control
- I2C dimming control
- PWM direct-input dimming
- 100Hz to 20kHz PWM input frequency
- Adaptive high-efficiency charge-pump control for driving high-VF LEDs with low battery voltage
- Master fader control allows the dimming of multiple LEDs by writing to only one register to reduce the I2C bus traffic
- 2µA low standby current and 10µA in automatic power-save mode when LEDs are inactive
- POR, UVLO, and TSD protection
Applications
- LED lighting, indicator lights, and fun lights for
- Smart speaker
- Smart home appliance
- Doorbell
- Electric lock
- Smoke detector
- Thermostat
- Set-top box
- Smart router
- BLUETOOTH® headset
- Cell phone
Functional Block Diagram
Publicerad: 2018-05-08
| Uppdaterad: 2022-12-14
