The LP5866T supports both analog dimming and PWM dimming methods. For analog dimming, each LED dot can be adjusted with 256 steps. For PWM dimming, the integrated 8-bit or 16-bit configurable PWM generators enable smooth and audible-noise-free dimming control. Each LED dot can also be arbitrarily mapped into 8-bit Group PWM to achieve dimming control together.
The LP5866T device implements full addressable SRAM to minimize the data traffic. The ghost-cancellation circuitry is integrated to eliminate both upside and downside ghosting. The Texas Instruments LP5866T also supports LED open and short detection functions. Both 1MHz (maximum) I2C and 12MHz (maximum) SPI are available in LP5866T.
Features
- LED matrix topology
- Six constant current sinks with seven scan switches for 42 LED dots
- Configurable for 1 to 7 scan switches
- Operating voltage range
- VCC/VLED range: 2.7V to 5.5V
- Logic pins compatible with 1.8V, 3.3V, and 5V
- 18 constant current sinks with high precision
- 100mA per current sink when VCC ≥ 3.3V
- ±5% device-to-device error
- ±5% channel-to-channel error
- Phase-shift for balanced transient power
- Ultra-low power consumption
- Shutdown mode: ICC ≤ 1µA when EN = Low
- Standby mode: ICC ≤ 10µA when EN = High and CHIP_EN = 0 (data retained)
- Active mode: ICC = 5mA (typical) when channel current = 12.5mA
- Full addressable SRAM to minimize data traffic
- Individual LED dot open/short detection
- Flexible dimming options
- Individual ON/OFF control for each LED dot
- Analog dimming (current gain control)
- Global 7-step Maximum Current (MC) setting for all LED dots
- Three groups of 7-bit Color Current (CC) settings for red, green, and blue
- Individual 8-bit Dot Current (DC) setting for each LED dot
- PWM dimming with audible-noise-free frequency
- Global 8-bit PWM dimming for all LED dots
- Three programmable groups of 8-bit PWM dimming for LED dot arbitrary mapping
- Individual 8-bit or 16-bit PWM dimming for each LED dot
- De-ghosting and low brightness compensation
- Interface options
- 1MHz (max.) I2C interface when IFS = Low
- 12MHz (max.) SPI interface when IFS = High
Applications
- LED animation and indication for
- Major and smart home appliances
- Global RGB keyboard backlighting
- Outdoor keypad backlighting
- IR module for video surveillance and IP camera
- Laser diode in optical module
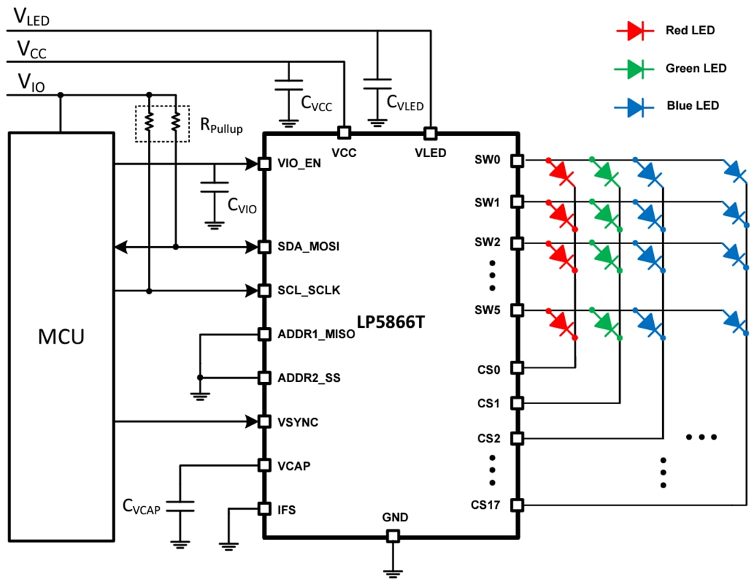
Simplified Schematic
Publicerad: 2023-10-25
| Uppdaterad: 2024-03-20

