Texas Instruments LP5891/LP5891-Q1 48x16 LED Matrix Driver
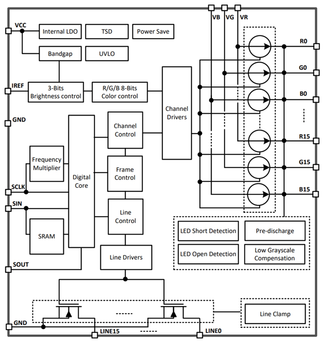
Texas Instruments LP5891/LP5891-Q1 48x16 LED Matrix Driver is a highly integrated, common-cathode LED matrix driver with 48 constant current sources and 16 scanning FETs. The device implements a high-speed rising-edge transmission interface to support a high device count daisy-chained while minimizing electrical-magnetic interference (EMI) and internal GCLK rate ranges from 40MHz to 160MHz. The LP5891/LP5891-Q1 implements LED open/weak-short/short detections and removals during operations. The Texas Instruments LP5891-Q1 devices are AEC-Q100 qualified for automotive applications.Features
- Separated VCC and VR/G/B power supply
- 2.5V to 5.5V VCC voltage range
- 2.5V to 5.5V VR/G/B voltage range
- 48 current source channels from 0.2mA to 20mA
- Channel-to-channel accuracy: ±0.5% (typ.), ±2% (max.); device-to-device accuracy: ±0.5% (typ.), ±2% (max.)
- Low knee voltage (0.26V (max.) when IOUT = 5mA)
- 3-bits (8 steps) global brightness control
- 8-bits (256 steps) color brightness control
- Maximum 16-bits (65536 steps) PWM grayscale control
- 16 scan line switches with 190mΩ RDS(ON)
- Ultra-low power consumption
- Independent VCC down to 2.5V
- Lowest ICC down to 3.6mA with 50MHz GCLK
- Intelligent power saving mode with ICC down to 0.9mA
- Built-in SRAM to support 1–64 multiplexing
- Single device to support 48 × 16 LEDs or 16 × 16 RGB pixels
- Dual devices stackable to support 96 × 32 LEDs or 32 × 32 RGB pixels
- Three devices stackable to support 144 × 48 LEDs or 48 × 48 RGB pixels
- Four devices stackable to support 192 × 64 LEDs or 64 × 64 RGB pixels
- High speed and low EMI Continuous Clock Series Interface (CCSI)
- Only three wires: SCLK / SIN / SOUT
- External 50MHz (max.) SCLK with a rising-edge transmission mechanism
- Internal frequency multiplier to support high-frequency GCLK
- Optimized performances for LED matrix displays
- Upside and downside ghosting removal
- Low grayscale enhancement
- LED open, weak-short, short detection and removal
- LP5891MRRFR supports –55°C to approximately 125°C operating ambient temperature
Applications
- Mini- / micro-LED matrix products
- Gaming keyboard RGB LED backlighting
- Audio mixer, DJ equipment, and broadcast
- LED luminous panel and Local dimming backlight
Datasheets
Functional Block Diagram
Publicerad: 2022-10-05
| Uppdaterad: 2025-01-13
