Texas Instruments LV14240 SIMPLE SWITCHER® Step-Down Converter
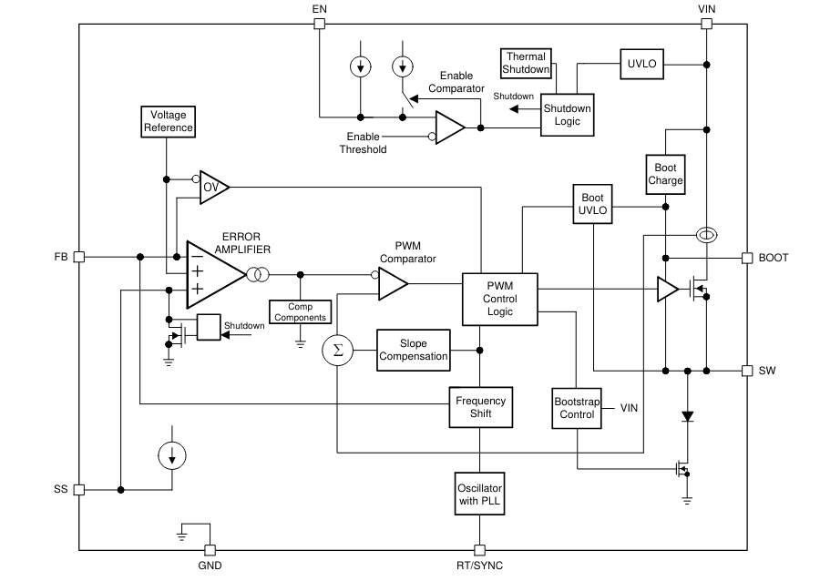
Texas Instruments LV14240 SIMPLE SWITCHER® Step-Down Converter offers a wide input range from 4V to 40V, developed for various industrial and automotive applications with power conditioning from unregulated sources. The 40V, 2A step-down LV14240 regulator has an integrated high-side MOSFET with a wide adjustable switching frequency range for efficiency or an optimized external component size.The TI LV14240 Converter features an internal loop compensation that minimizes the external components of the device. A precision enable input permits the simplification of regulator control and system power sequencing. The LV14240 also has built-in protection options such as cycle-by-cycle current limit, thermal sensing, shutdown due to excessive power dissipation, and output overvoltage protection.
Features
- Adjustable switching frequency from 200kHz to 2MHz
- Frequency synchronization to external clock
- Internal compensation for ease of use
- High-duty cycle operation supported
- Precision enable input
- 1µA shutdown current
- External soft start
- Thermal, overvoltage, and short protection
- 8-pin SOIC with PowerPAD™ package
Applications
- Automotive battery regulation
- Industrial power supplies
- Telecom and datacom systems
Schematic
Functional Block Diagram
Publicerad: 2024-05-14
| Uppdaterad: 2024-05-22
