Texas Instruments OPA859/OPA859-Q1 Wideband Low-Noise Op Amps
Texas Instruments OPA859/OPA859-Q1 Wideband Low-Noise Operational Amplifier comes with CMOS inputs for wideband transimpedance and voltage amplifier applications. When the device is configured as a transimpedance amplifier (TIA), the 0.9GHz gain bandwidth product (GBWP) enables high closed-loop bandwidths in low-capacitance photodiode applications.The Texas Instruments OPA859/OPA859-Q1 is optimized to operate in optical time-of-flight (ToF) systems where the OPA859/OPA859-Q1 is used with time-to-digital converters, such as the TDC7201. The OPA859/OPA859-Q1 can be used to drive a high-speed analog-to-digital converter (ADC) in high-resolution LIDAR systems with a differential output amplifier, such as the THS4541 or LMH5401. The OPA859-Q1 devices are AEC-Q100 qualified for automotive applications.
Features
- 1.8GHz High unity-gain bandwidth
- 900MHz Gain bandwidth product
- 10pA Ultra-low bias current MOSFET inputs
- 3.3nV/√Hz Low input voltage noise
- 1150V/µs Slew rate
- Low input capacitance
- 0.6pF Common-mode
- 0.2pF Differential
- Wide input common-mode range
- 1.4V from Positive supply
- Includes negative supply
- 2.5VPP Output swing in TIA configuration
- 3.3V to 5.25V Supply voltage range
- 20.5mA Quiescent current
- 8-Pin WSON Package
- –40 to +125°C Temperature range
Applications
- High-speed transimpedance amplifier
- Laser distance measurement
- CCD Output buffer
- High-speed buffer
- Optical Time Domain Reflectometry (OTDR)
- High-speed active filter
- 3D Scanner
- Silicon Photomultiplier (SiPM) buffer amplifier
- Photomultiplier tube post amplifier
Datasheets
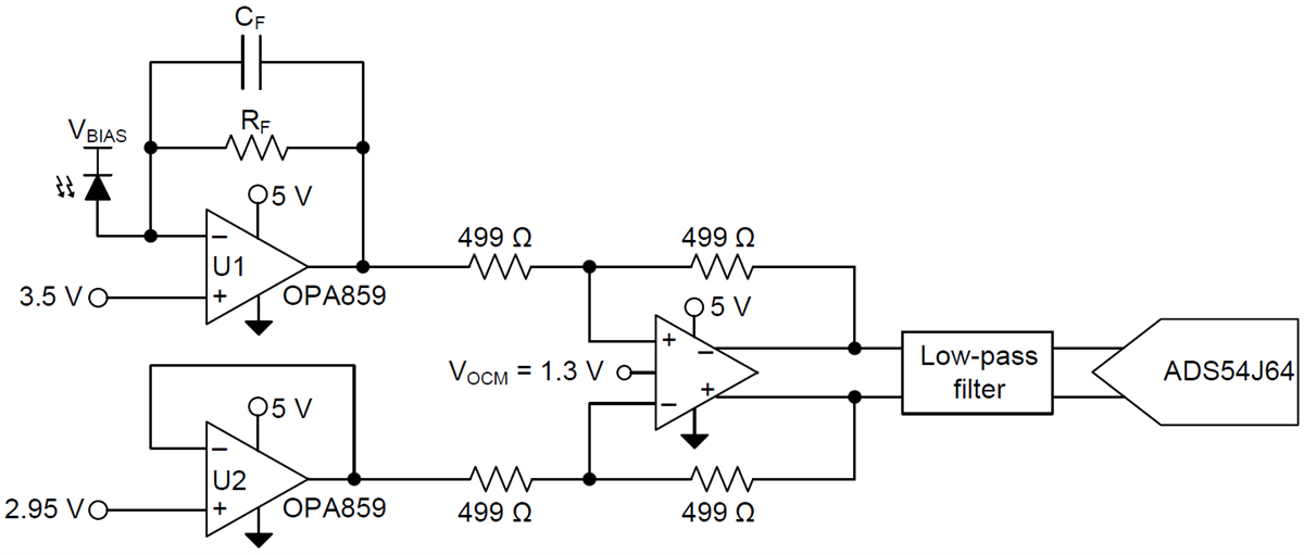
Typical Application
Publicerad: 2018-10-12
| Uppdaterad: 2025-07-10
