Texas Instruments PCM270xC USB Stereo Audio DACs
Texas Instruments PCM270xC Single-Chip USB Stereo Audio Digital-to-Analog Converters (DACs) feature a USB-compliant full-speed protocol controller and S/PDIF. The USB-protocol controller on these USB audio DACs works with no software code, but USB descriptors can be modified in some areas (for example, vendor ID/product ID) through the use of an external ROM (PCM2704C) or SPI™ (PCM2705C). PCM270xC also employs SpAct™ architecture, a TI system that recovers the audio clock from USB packet data. On-chip analog phase-locked loops (PLLs) with SpAct enable playback with low clock jitter. These Texas Instruments PCM270xC Audio DACs are ideal for use in USB headphones, audio speakers, CRT/LCD monitors, and audio interface boxes..Features
- On-Chip USB Interface
- No Dedicated Device Driver Needed
- Full-Speed Transceivers
- Fully Compliant with USB 1.1 Specification
- Certified by USB-IF
- Partially Programmable Descriptors
- Adaptive Isochronous Transfer for Playback
- Bus-Powered or Self-Powered Operation
- Sampling Rates: 32kHz, 44.1kHz, 48kHz
- On-Chip Clock Generator with Single 12MHz Clock Source
- Single Power Supply
- Bus-Powered: 5V, Typical (VBUS)
- Self-Powered: 3.3V, Typical
- 28-Pin SSOP Packages
- 16-Bit Delta-Sigma Stereo DAC
- Analog Performance at 5V (Bus-Powered), 3.3V (Self-Powered)
- THD+N: 0.006% RL > 10kΩ, Self-Powered
- THD+N: 0.025% RL = 32Ω
- SNR = 98dB
- Dynamic Range: 98dB
- PO = 12mW, RL = 32Ω
- Multiple Functions
- Up to Eight Human Interface Device (HID) Interfaces (Model and Setting Dependent)
- Suspend Flag
- S/PDIF Out with SCMS
- External ROM Interface (PCM2704C)
- Serial Programming Interface (PCM2705C)
- Analog Performance at 5V (Bus-Powered), 3.3V (Self-Powered)
Applications
- USB Headphones
- USB Audio Speaker
- USB CRT/LCD Monitor
- USB Audio Interface Box
- USB-Featured Consumer Audio Product
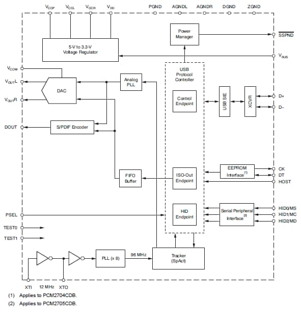
Functional Block Diagram
Publicerad: 2012-03-08
| Uppdaterad: 2022-03-11
