Texas Instruments PGA302 Sensor Signal Conditioners
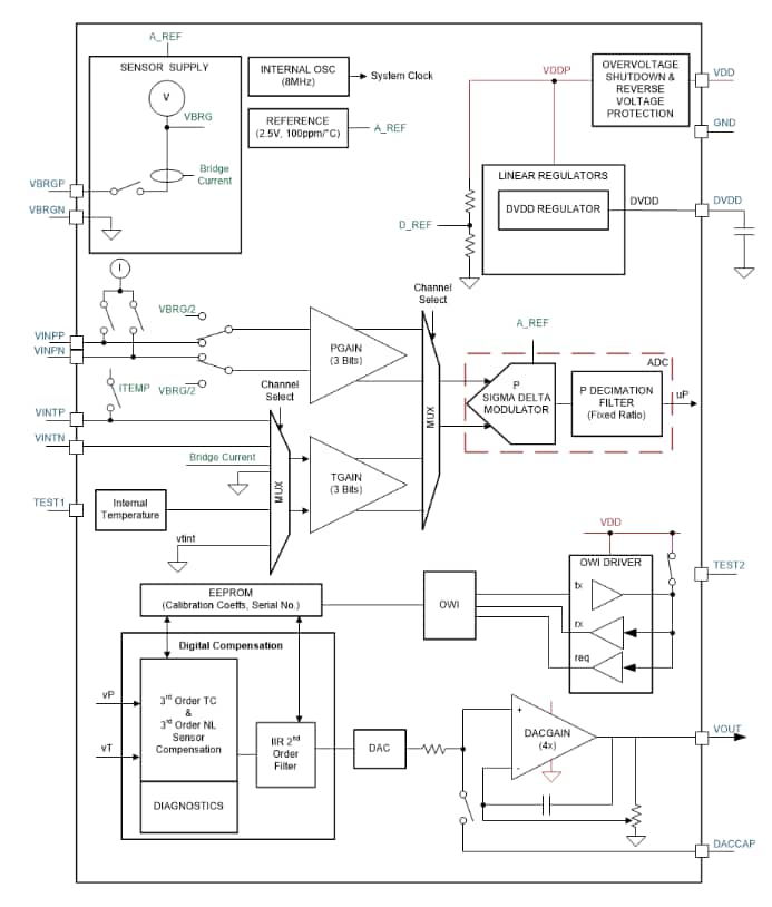
Texas Instruments PGA302 Sensor Signal Conditioners with 0V-to-5V Ratiometric Output exhibit low drift and noise with both analog and digital features. The device creates 2.5V bridge excitation along with a current output source with programmable current output up to 1mA. Two identical analog front-end (AFE) channels followed by a 16-bit Sigma-Delta ADC are available at the input. Additionally, each AFE channel has a dedicated programmable gain amplifier with a gain of up to 200 V/V. The Texas Instruments PGA302 Sensor Signal Conditioners offer various sensing element types, including piezoresistive, ceramic film, strain gauge, and steel membrane. Other features include memory built-in self-test (MBIST), watchdog timer, and power management control.Features
- Dual channel analog front-end
- On-chip temperature sensor
- Programmable gain up to 200V/V
- 16-bit sigma-delta analog-to-digital converter
- 3rd-order linearity compensation algorithm
- EEPROM memory for device configuration, calibration data, and user data
- I2C interface
- One-wire interface through power line
- A sensor input, power supply, and output buffer diagnostics
- Memory Built-In Self-Test (MBIST)
- Watchdog
- Power management control
Applications
- Powertrain pressure sensors
- Powertrain exhaust sensors
- HVAC sensors
- Seat occupancy sensors
- Brake systems
- Battery Management Systems (BMS)
Additional Resources
Functional Block Diagram
Publicerad: 2018-03-26
| Uppdaterad: 2023-10-30
