Texas Instruments SN74AC157-Q1 2-1-Line Data Selectors/Multiplexers
Texas Instruments SN74AC157-Q1 2-Line to 1-Line Automotive Quadruple Data Selectors/Multiplexers are high-speed silicon-gate CMOS multiplexers designed for multiplexing and data routing applications. These devices contain four 2-line to 1-line multiplexers/data selectors with shared control logic. The SN74AC157-Q1 multiplexers operate at a 1.5V to 6V supply voltage range, up to 6V inputs accept voltages, and a continuous ±24mA output drive at 5V. These multiplexers support up to ±75mA output drive at 5V in short bursts, drive 50Ω transmission lines, and a maximum tpd of 7.3ns at 5V, 50pF load. The SN74AC157-Q1 devices are AEC-Q100 qualified for automotive applications.Features
- AEC-Q100 qualified for automotive applications:
- -40°C to 125°C device temperature grade 1
- Device HBM ESD classification level 2
- Device CDM ESD classification level C4B
- Available in a wettable flank QFN package
- Wide operating range of 1.5V to 6V
- Inputs accept voltages up to 6V
- Continuous ±24mA output drive at 5V
- Supports up to ±75mA output drive at 5V in short bursts
- Drives 50Ω transmission lines
- Maximum tpd of 7.3ns at 5V, 50pF load
Applications
- Data selection
- Multiplexing
Logic Diagram
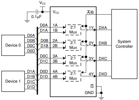
Typical Application Block Diagram
Publicerad: 2025-09-02
| Uppdaterad: 2025-09-24
