Texas Instruments SN74AHCT157/SN74AHCT157-Q1 Data Sel/Multiplexers
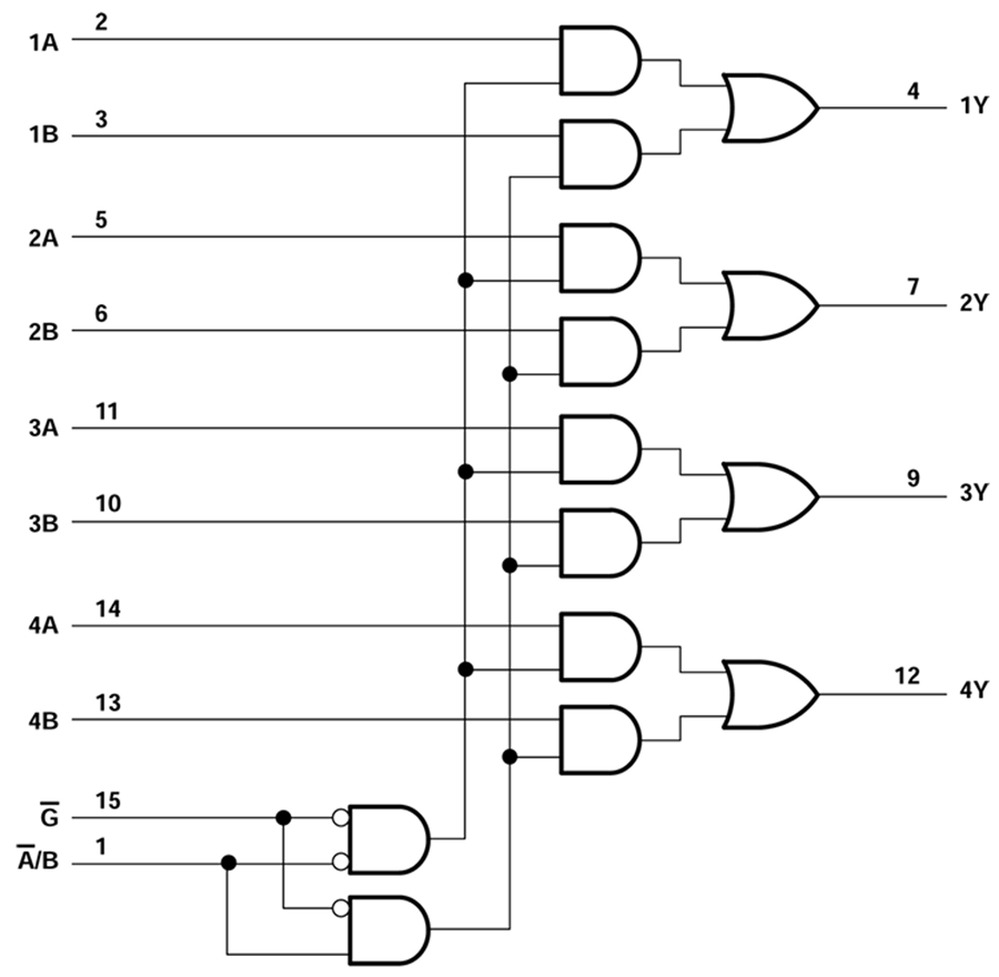
Texas Instruments SN74AHCT157/SN74AHCT157-Q1 Quad 2-to-1 Line Data Selectors/Multiplexers are designed for 4.5V to 5.5V VCC operation. The SN74AHCT157/SN74AHCT157-Q1 devices feature a common strobe (G) input. When the strobe is high, all outputs are low. When the strobe is low, a 4-bit word is selected from one of two sources and is routed to the four outputs. The devices provide true data. The Texas Instruments SN74AHCT157-Q1 devices are AEC-Q100 qualified for automotive applications.Features
- Inputs are TTL-voltage compatible
- Latch-up performance exceeds 250mA per JESD 17
Datasheets
Logic Diagram (Positive Logic)
Additional Resources
- Selection Guide: Little Logic Guide
- Selection Guide: Logic Guide
- Application Note: How to Select Little Logic
- Application Note: Understanding and Interpreting Standard-Logic Data Sheets
- User Guide: LOGIC Pocket Data Book
- Application Note: Selecting the Right Level Translation Solution
- Application Note: Advanced High-Speed CMOS (AHC) Logic Family
- ADAS: The technology driving automotive safety forward
Publicerad: 2024-06-07
| Uppdaterad: 2025-06-06
