Texas Instruments SN74AVC24T245 24-Bit Dual-Supply Bus Transceiver
Texas Instruments SN74AVC24T245 24-Bit Dual-Supply Bus Transceiver uses two separate configurable power-supply rails. The SN74AVC24T245 is optimized to operate with VCCA/VCCB set at 1.4V to 3.6V. It is operational with VCCA/VCCB as low as 1.2V. The A port is designed to track VCCA. VCCA accepts any supply voltage from 1.2V to 3.6V. The B port is designed to track VCCB. VCCB accepts any supply voltage from 1.2V to 3.6V. This feature allows universal low-voltage bidirectional translation between 1.2V, 1.5V, 1.8V, 2.5V, and 3.3V voltage nodes.The Texas Instruments SN74AVC24T245 is designed for asynchronous communication between data buses. The device transmits data from the A bus to the B bus or from the B bus to the A bus, depending on the logic level at the direction-control (DIR) input. The output-enable (OE) input can be used to disable the outputs so the buses are effectively isolated. This device is fully specified for partial-power-down applications using Ioff. The Ioff circuitry disables the outputs, preventing damaging current backflow through the device when powered down. The VCC isolation feature ensures that if either VCC input is at GND, then both ports are in the high-impedance state.
Features
- Control inputs VIH/VIL levels are referenced to VCCA voltage
- VCC isolation feature – if either VCC input is at GND, all outputs are in the high-impedance state
- Overvoltage-tolerant inputs/outputs allow mixed-voltage-mode data communications
- A fully configurable dual-rail design allows each port to operate over the full 1.2V to 3.6V power supply range
- Max data rates
- 380Mbps (1.8V to 3.3V translation)
- 200Mbps (<1.8V to 3.3V translation)
- 200Mbps (translate to 2.5V or 1.8V)
- 150Mbps (translate to 1.5V)
- 100Mbps (translate to 1.2V)
- Ioff supports partial-power-down mode operation
- I/Os are 4.6V tolerant
- Latch-up performance exceeds 100mA per JESD 78, Class II
- ESD protection exceeds JESD 22
- 8000V human-body model (A114-A)
- 200V machine model (A115-A)
- 1000V charged-device model (C101)
Applications
- Personal electronics
- Industrial
- Enterprise
- Telecom
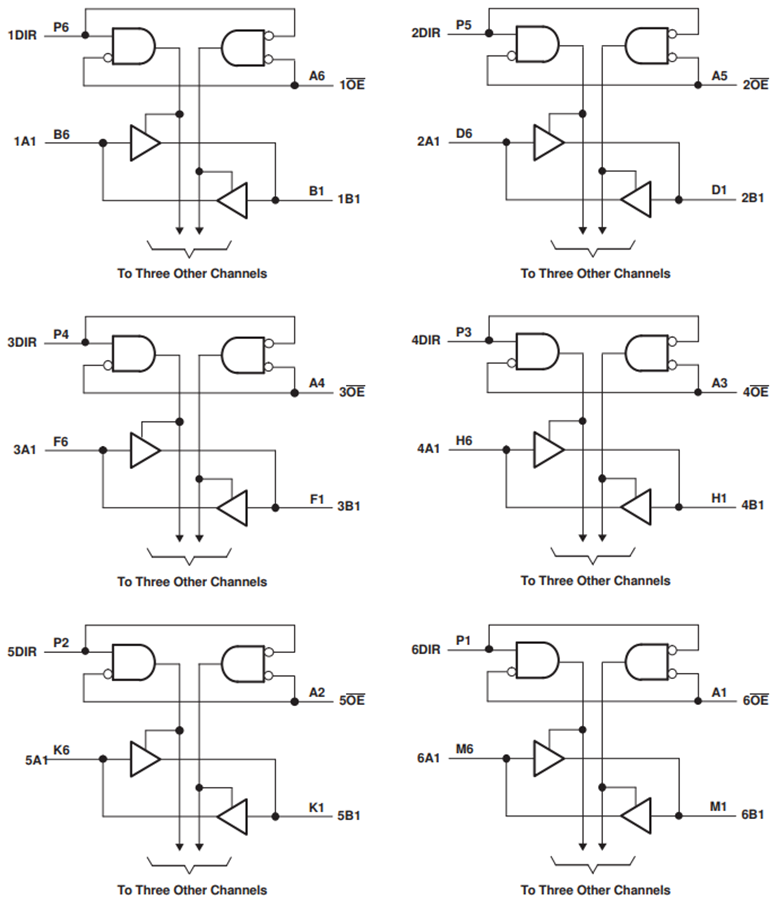
Functional Block Diagram
Publicerad: 2020-09-28
| Uppdaterad: 2024-08-27
