Texas Instruments SN74HC112 Dual J-K Flip-Flops
Texas Instruments SN74HC112 Dual J-K Flip-Flops contain two independent J-K negative-edge-triggered flip-flops. A low level at the clear (/CLR) inputs or preset (/PRE) resets or sets the outputs, no matter the levels of the other inputs. The data at the J and K inputs that meet the setup time requirements are transferred to the outputs on the negative-going edge of the clock (CLK) pulse when /CLR and /PRE are inactive (high). Clock triggering is not directly related to the fall time of the CLK pulse and occurs at a voltage level. The J and K input data may be changed without affecting the levels at the outputs following the hold-time interval. The Texas Instruments SN74HC112 are versatile flip-flops that perform as toggle flip-flops by tying J and K high.Features
- Wide operating voltage range of 2V to 6V
- Outputs can drive up to 10 LSTTL loads
- Low power consumption, 40µA (max.) ICC
- Typical tpd = 13ns
- ±4mA output drive at 5V
- A low input current of 1µA (max.)
Applications
- Servers
- LED displays
- Network switch
- Telecom infrastructure
- Motor drivers
- I/O expand
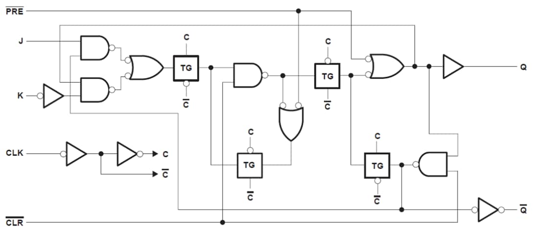
Functional Block Diagram
Publicerad: 2025-05-01
| Uppdaterad: 2025-05-09
