Texas Instruments SN74HC74/SN74HC74-Q1 Dual D-Type Flip-Flops
Texas Instruments SN74HC74/SN74HC74-Q1 Dual D-Type Flip-Flops contain two independent D-type positive-edge-triggered flip-flops with asynchronous preset and clear pins for each. These devices have a wide operating voltage range of 2V to 6V and a broad operating temperature range of -40°C to +85°C. The SN74HC74-EP devices have gold bond wires, a temperature range of –55 to +105°C, and an SnPb lead finish. The Texas Instruments SN74HC74-Q1 devices are AEC-Q100 qualified for automotive applications.Features
- Buffered inputs
- Operating temperature range
- SN74HC74: -40°C to +85°C
- SN74HC74-EP: -55°C to 125°C
- SN74HC74-Q1: –40°C to +125°C
- Wide operating voltage range of 2V to 6V
- Supports fanout up to 10 LSTTL loads
- Significant power reduction compared to LSTTL logic ICs
Applications
- Convert a momentary switch to a toggle switch
- Divide a clock signal by 2 or 4
Additional Resources
- SN74HC74 Datasheet
- SN74HC74-EP Datasheet
- SN74HC74-Q1 Datasheet
- Application Note: Designing With Logic
- Application Note: Implications of Slow or Floating CMOS Inputs
- Application Note: Understanding and Interpreting Standard-Logic Data Sheets
- Application Note: Using High-Speed CMOS and Advanced CMOS in Systems With Multiple VCC
- Selection Guide: Logic Guide
- User Guide: LOGIC Pocket Data Book
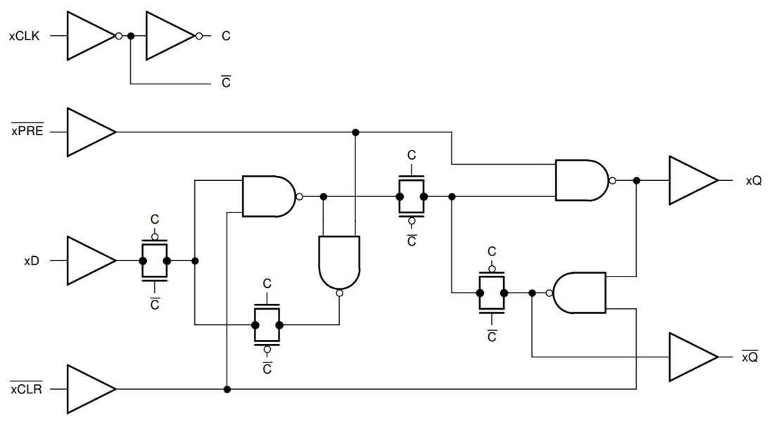
Functional Block Diagram
Publicerad: 2025-05-01
| Uppdaterad: 2025-05-09
