Texas Instruments SN74LV8T151-EP Data Selector/Multiplexer
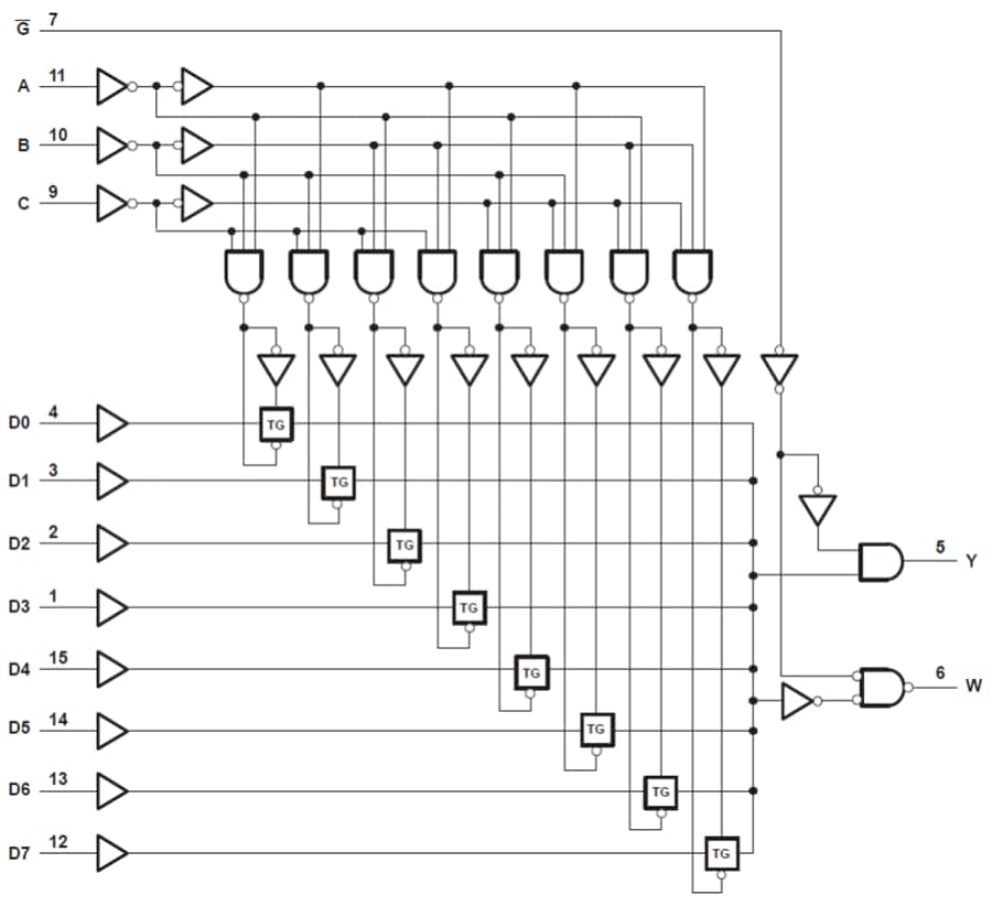
Texas Instruments SN74LV8T151-EP Data Selector/Multiplexer provides full binary decoding to select one of eight data sources. The strobe (G) input must be at a low logic level to enable the inputs. A high level at the strobe terminal forces the standard output (Y) low and the inverted output (W) high. The Texas Instruments SN74LV8T151-EP devices have gold bond wires, a temperature range of –55 to +105°C, and an SnPb lead finish.Features
- Wide operating range of 1.65V to 5.5V
- 5.5V tolerant input pins
- Single-supply voltage translator
- Up translation
- 1.2V to 1.8V
- 1.5V to 2.5V
- 1.8V to 3.3V
- 3.3V to 5.0V
- Down translation
- 5.0V, 3.3V, 2.5V to 1.8V
- 5.0V, 3.3V to 2.5V
- 5.0V to 3.3V
- Up translation
- Up to 150Mbps with 5V or 3.3V VCC
- Supports standard function pinout
- Latch-up performance exceeds 250mA per JESD 17
- Supports defense and aerospace applications
- Controlled baseline
- One assembly and test site
- One fabrication site
- Extended product life cycle
- Product traceability
Applications
- Enable or disable a digital signal
- Controlling an indicator LED
- Translation between communication modules and system controllers
Logic Diagram (Positive Logic)
Publicerad: 2025-04-07
| Uppdaterad: 2025-04-11
