Texas Instruments SN74LXC8T245/SN74LXC8T245-Q1 Dual Transceivers
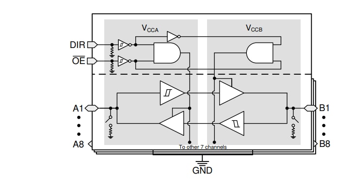
Texas Instruments SN74LXC8T245/SN74LXC8T245-Q1 Dual-Supply Transceivers are 8-bit, non-inverting bidirectional voltage level translation devices. Ax pins and control pins (DIR and OE) are referenced to VCCA logic levels, and Bx pins are referenced to VCCB logic levels. The A port can accept I/O voltages ranging from 1.1V to 5.5V, while the B port can accept I/O voltages from 1.1V to 5.5V. A high on DIR allows data transmission from A to B, and a low on DIR provides data transmission from B to A when OE is set to low. When OE is set to high, Ax and Bx pins are in the high-impedance state.The TI SN74LXC8T245-Q1 Automotive Dual-Supply Transceivers operate from –40°C to +125°C and are AEC-Q100 qualified for automotive applications. These devices are available in TSSOP 24-pin and VQFN 24-pin packages.
Features
- A fully configurable dual-rail design allows each port to operate from 1.1V to 5.5V
- Robust, glitch-free power supply sequencing
- Up to 420Mbps support for 3.3V to 5.0V
- Schmitt-trigger inputs allow for slow or noisy inputs
- I/O's with integrated dynamic pull-down resistors help reduce external component count
- Control inputs with integrated static pull-down resistors allow for floating control inputs
- High drive strength (up to 32mA at 5V)
- Low power consumption
- 4µA maximum (25°C)
- 12µA maximum (-40°C to 125°C)
- VCC isolation and VCC disconnect (Ioff-float) feature
- If either VCC supply is < 100 mV or disconnected, all I/O's get pulled down and then become high-impedance
- Ioff supports partial-power-down mode operation
- Compatible with LVC family-level shifters
- The control logic (DIR and OE) are referenced to VCCA
- Operating temperature from -40°C to +125°C
- Latch-up performance exceeds 100mA per JESD 78, class II
- ESD protection exceeds JESD 22
- 4000V human-body model
- 1000V charged-device model
Applications
- Eliminate slow or noisy input signals
- Driving indicator LEDs or buzzers
- Debouncing a mechanical switch
- Infotainment head unit
- ADAS fusion
Datasheets
Simplified Schematic
Publicerad: 2020-12-16
| Uppdaterad: 2024-10-18
