Texas Instruments TAS2557 Class-D Audio Amplifier
Texas Instruments TAS2557 Class-D Audio Amplifier is a complete system on a Chip (SoC) that features an ultra-low-noise audio DAC and Class-D power amplifier. These features incorporate speaker voltage and current sensing feedback. An on-chip, low-latency DSP supports Texas Instruments SmartAmp speaker protection algorithms to maximize loudness while maintaining safe speaker conditions. The device can be used easily with any processor with an I2S output. Stereo implementations are possible when using two TAS2557 devices. Separate tuning for different speakers is supported, allowing customers to add value while maintaining form factor designs. The TAS2557 also dynamically supports distinct voice and audio tuning with ultra-low 15.9µV ICN regardless of the mode of operation, making receiver/speaker implementations possible.Features
- Ultra-Low-Noise mono boosted Class-D amplifier
- 5.7W at 1% THD+N and 6.9W at 10% THD+N into a 4Ω load from a 4.2V supply
- 3.8W at 1% THD+N and 4.5W at 10% THD+N into an 8Ω load from a 4.2V supply
- Output noise for DAC + class-D (ICN) is 15.9µV
- DAC + Class-D SNR 111dB at 1%THD+N/8Ω
- THD+N –90dB at 1W / 8Ω with flat frequency response
- Post-Filter Feedback (PFFB)
- PSRR 110dB for 200mVpp ripple at 217Hz
- Input sample rates from 8kHz to 96kHz
- Built-in speaker sense
- Measures speaker current and voltage
- Measures VBAT voltage, chip temperature
- Dedicated real-time dual-core DSP for speaker protection
- Thermal and excursion protection
- Detects speaker leaks and damage
- High-efficiency Class-H boost converter with multi-level tracking
- 86% at 500mW in 8Ω with 3.6V VBAT
- 87% at 700mW in 8Ω with 4.2V VBAT
- Configurable Automatic Gain Control (AGC)
- Limits battery current consumption
- Adjustable Class-D switching edge-rate control
- Thermal, short-circuit, and under-voltage protection
- I2S, Left-justified, right-justified, DSP, and TDM input and output interface
- I2C or SPI Interface for register control
- Stereo configuration using two TAS2557 devices
- Power supplies
- 2.9V to 5.5V Boost input
- 1.65V to 1.95V Analog/digital
- 1.62V to 3.6V Digital I/O
- 42-ball, 0.5mm pitch, DSBGA package
Applications
- Mobile phones and tablets
- Video doorbells and voice-enabled thermostats
- Personal computers
- BLUETOOTH® speakers and accessories
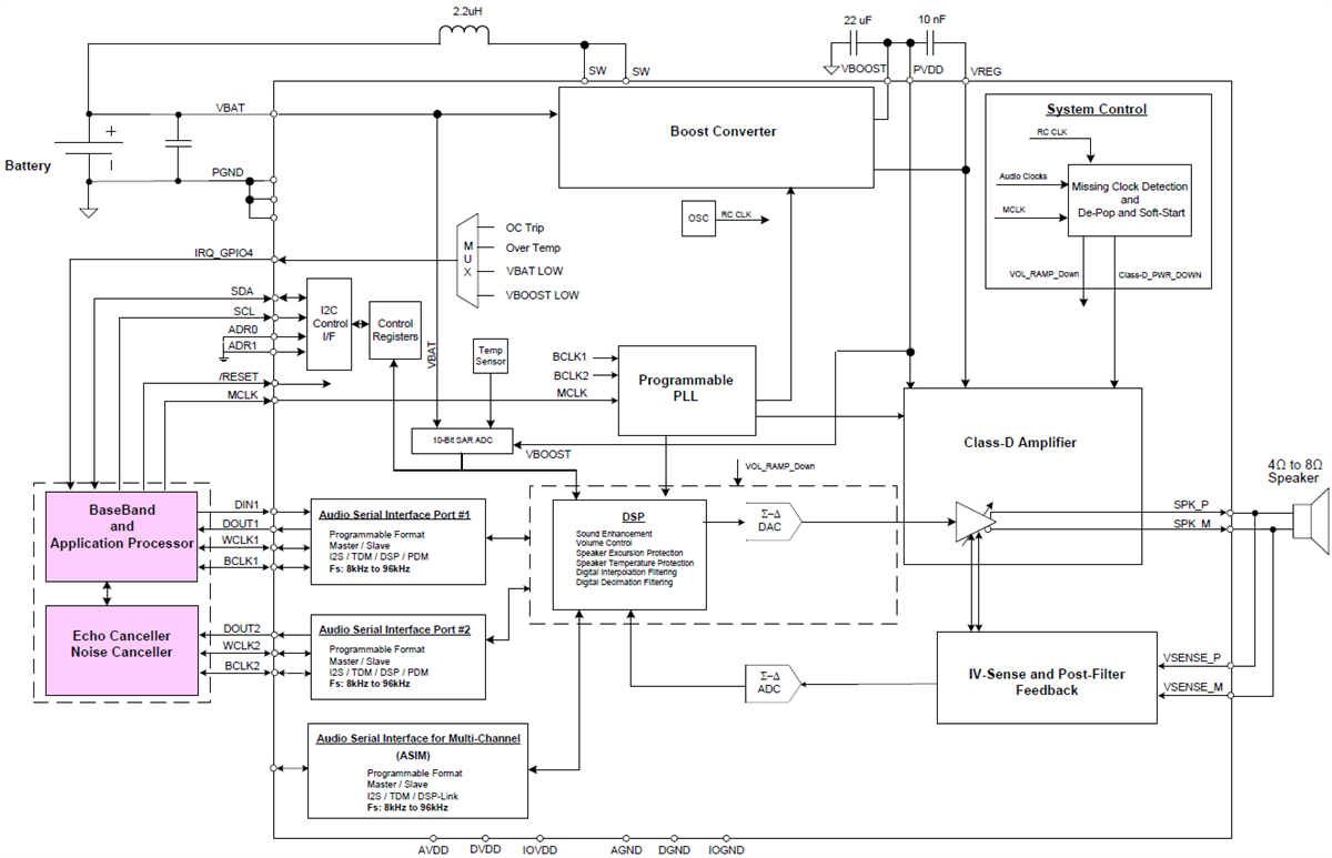
Functional Block Diagram
Publicerad: 2017-08-30
| Uppdaterad: 2022-05-06
