Texas Instruments TAS2781EVM Evaluation Module
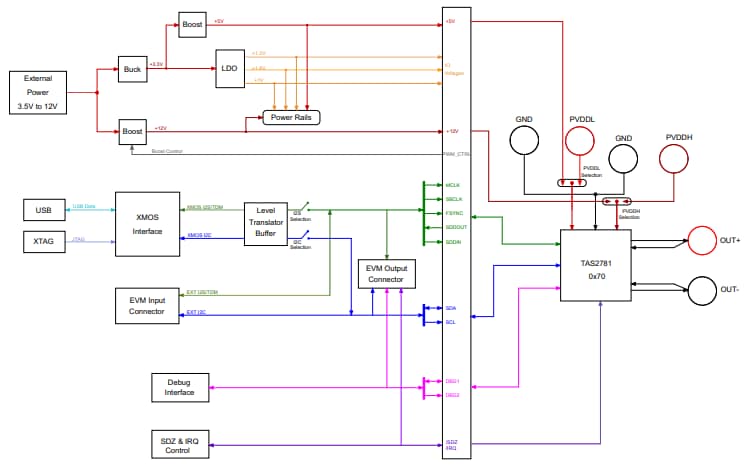
Texas Instruments TAS2781EVM Evaluation Module demonstrates the performance of the TAS2781 Class-D audio amplifier in a mono configuration. This evaluation module uses interfaces such as I2C or SPI, USB, hardware shutdown control, and external 100-mil headers to support the evaluation and development of TAS2781. The TAS2781EVM module can be controlled and configured using the PurePath Console 3 software.Features
- Supports evaluation and development of the TAS2781 through various interfaces:
- USB interface
- Software control via PurePath™ Console 3 (PPC3) GUI, USB-HID
- USB-class audio device, compatible with Microsoft® Windows® 7+
- PSIA – I2S/TDM interface
- I2C or SPI
- External 100-mil headers
- Hardware shutdown control
- Interrupt output
- Uses the onboard controller to provide a connection interface and supply voltages
- Hybrid-pro boost controller support
- USB input for audio data and control
TAS2781EVM Schematic and Block Diagram
Additional Resource
Publicerad: 2024-01-05
| Uppdaterad: 2024-01-11
