Texas Instruments TLVx172/TLVx172-Q1 Rail-to-Rail Output Op Amps
Texas Instruments TLVx172/TLVx172-Q1 Rail-to-Rail Output Operational Amplifiers are electromagnetic interference (EMI) hardened, 36V, single-supply, low-noise operational amplifiers (op amps). These op amps feature a THD+N of 0.0002% at 1kHz with the ability to operate on supplies ranging from 4.5V (±2.25V) to 36V (±18V). These features, along with low noise and very high PSRR, make the TLVx172 an excellent choice for microvolt-level signal amplification. The TLVx172/TLVx172-Q1 offers good offset and drift, high bandwidth of 10MHz, and a slew rate of 10V/µs with only 2.3mA (max) of quiescent current over temperature.Unlike most operational amplifiers specified at only one supply voltage, the TLVx172 is specified from 4.5V to 36V. Input signals beyond the supply rails do not cause phase reversal. These op amps are stable with capacitive loads up to 300pF. The input can operate 100mV below the negative rail and within 2V of the positive rail for normal operation. The Texas Instruments TLVx172-Q1 devices are AEC-Q100 qualified for automotive applications.
Features
- 4.5V to 36V, ±2.25V to ±18V supply range
- 9nV/√Hz low noise
- ±1µV/°C (typical) low offset drift
- EMI-hardened
- Input range includes the negative supply
- Rail-to-rail output
- 10MHz gain bandwidth
- 10V/µs slew rate
- 1.6mA per amplifier low quiescent current
- 116dB (typical) high Common-Mode rejection
- 10pA low input bias current
Applications
- TFT-LCD drive circuits
- Touch-screen displays
- Wireless LANs
- Portable instrumentation
- Analog-to-Digital Converter (ADC) buffers
- Active filters
- Line drivers or line receivers
- Ultrasound
- Currency counters
- Transducer amplifiers
Datasheets
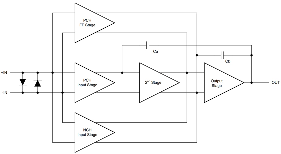
Functional Block Diagram
Publicerad: 2016-12-12
| Uppdaterad: 2025-02-06
