Texas Instruments TLV61047 Non-Synchronous Boost Converter
Texas Instruments TLV61047 Non-Synchronous Boost Converter is a high-voltage converter that integrates a 200mΩ low-side power switch for easy use and small-size power solution. This converter features a 2.6V to 20V input voltage range, 4.5V to 28V output voltage range, 200mΩ integrated low-side FET, and 1.6MHz switching frequency. The TLV61047 boost converter utilizes adaptive constant off-time peak current control topology to regulate the output voltage. This converter supports Pulse Width Modulation (PWM) mode until it triggers the Ton minimum or minimum peak current (typical 20mA) at heavy to light load conditions. The device supports Pulse Frequency Modulation (PFM) mode to improve the efficiency and ripple performance at ultra-light load conditions. Typical applications include LED power supplies, digital still cameras, GPS devices, mobile phones, OLED panel power supplies, and USB-powered devices.The TLV61047 boost converter includes a typical 25µA quiescent current and a built-in 2.5ms soft start to minimize the inrush current during start-up. This converter incorporates internal compensation, cycle-by-cycle current limit, and thermal shutdown protection. The TLV61047 boost converter is available in a SOT-23-5 DDC package.
Features
- 2.6V to 20V input voltage range
- 4.5V to 28V output voltage range
- 200mΩ integrated low-side FET
- High efficiency:
- Up to 91.2% efficiency at VIN = 5V to VOUT = 12V, and IOUT = 0.2A
- Up to 91.7% efficiency at VIN = 12V to VOUT =28V, and IOUT = 0.3A
- 2.2A peak switch current limit
- 1.6MHz switching frequency
- ±2.0% reference voltage accuracy
- Typical 25µA quiescent current
- Typical 0.4µA shutdown current
- PFM operation mode at ultra-light load or TON min triggered
- Internal compensation
- Internal 2.5ms soft start time
- Cycle-by-cycle current limit
- Thermal shutdown protection
- SOT-23-5 DDC package
Applications
- LED power supply
- Digital still camera
- GPS devices
- Mobile phone
- OLED panel power supply
- USB-powered devices
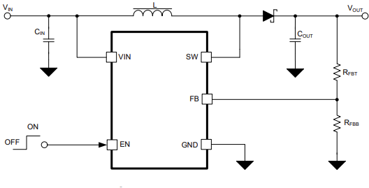
Typical Application Circuit
Functional Block Diagram
Publicerad: 2025-01-23
| Uppdaterad: 2025-03-20
