Texas Instruments TMP1826 Digital Temperature Sensor
Texas Instruments TMP1826 Digital Temperature Sensor is a 1-Wire® compatible sensor with an integrated 2kbit EEPROM and operates at -55°C to +150°C a wide operating temperature range. This temperature sensor provides a high accuracy of ±0.1°C (typical)/±0.3°C (maximum) across the temperature range of -20°C to 85°C. The TMP1826 sensor features fast data rates of 90kbps in overdrive speed and flexible user-programmable short address modes for faster device addresses. This sensor also features four configurable open-drain digital input-output and temperature alerts. Applications include factory automation and control appliances, medical accessories, CPAP machines, battery packs, LED lighting, cold chain, temperature transmitters, and EV charging infrastructure.Features
- 1-Wire® interface with multi-drop shared bus and CRC
- Bus powered with 1.7V to 5.5V operating voltage range
- IEC 61000-4-2 ESD for 8kV contact discharge
- Functional safety-capable:
- Developed for functional safety applications
- Documentation available to aid functional safety system design
- High-accuracy digital temperature sensor (DGK):
- ±0.1°C (typical)/±0.3°C (maximum) from –20°C to 85°C
- ±0.3°C (typical)/±0.5°C (maximum) from –55°C to 150°C
- High-accuracy digital temperature sensor (NGR):
- ±0.1°C (typical)/±0.3°C (maximum) from –20°C to 85°C
- ±0.3°C (typical)/±0.5°C (maximum) from –55°C to 125°C
- ±0.5°C (typical)/±1.0°C (maximum) from –55°C to 150°C
- 94µA temperature measurement and 1.3µA shutdown current
- 7.8125m°C (1 LSB) 16bit temperature resolution
- Fast data rates of 90kbps in overdrive speed
- Flexible user-programmable short address modes for faster device address
- 2kbit EEPROM features:
- Write operation in the block size of 64bits
- Continuous read mode
- Read with write protection with a page size of 256bits
- 95µA/178µA read/write current
- NIST traceable factory-programmed non-erasable 64-bit identification number for device addressing
- Four configurable open-drain digital input-output and temperature alert
Applications
- Factory automation and control
- Appliances
- Medical accessories
- CPAP machine
- Battery packs
- LED lighting
- Cold chain
- Temperature transmitters
- EV charging infrastructure
Block Diagram
Simplified Schematic
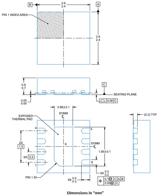
Mechanical Drawing
Publicerad: 2023-01-27
| Uppdaterad: 2023-10-30
