Texas Instruments TMS570LS0x32 32-Bit RISC Flash Microcontrollers
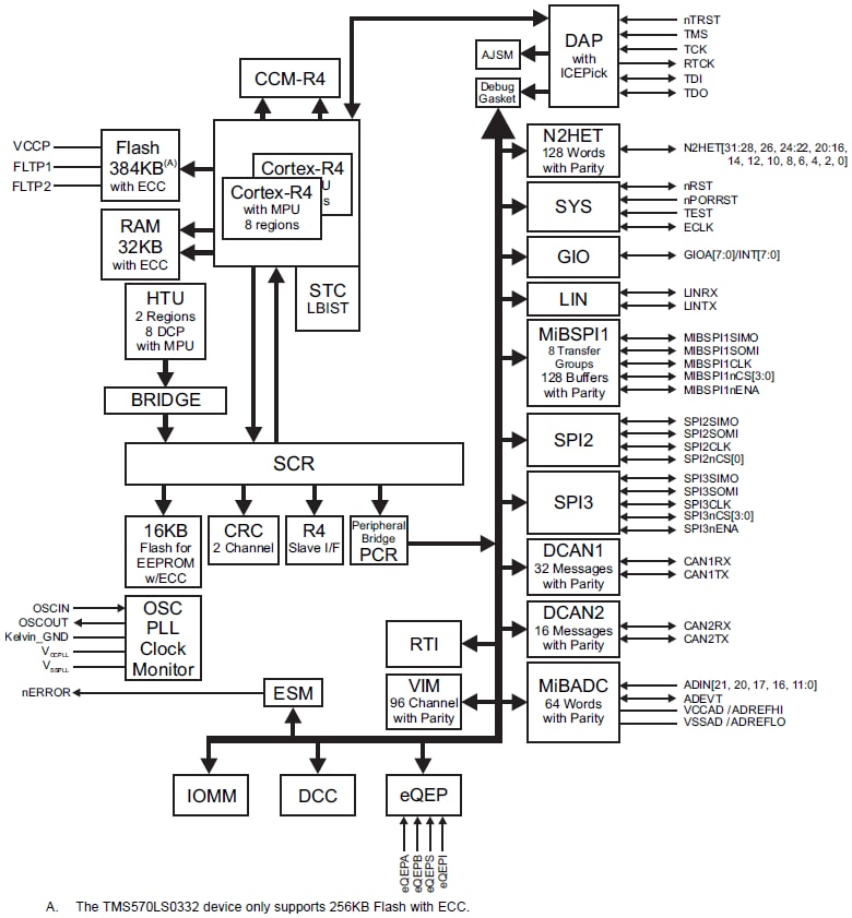
Texas Instruments TMS570LS0x32 32-Bit RISC Flash Microcontrollers are high-performance automotive-grade microcontrollers designed for safety systems. The safety architecture includes dual CPUs in lockstep, CPU and memory BIST logic, ECC on both the flash and the data SRAM, parity on peripheral memories, and loopback capability on peripheral I/Os. The TMS570LS0432/0332 devices integrate the ARM Cortex-R4 CPU. This CPU offers an efficient 1.66DMIPS/MHz and has configurations that can run up to 80MHz, providing up to 132DMIPS.Features
- High-performance automotive-grade microcontroller for safety-critical applications
- ARM Cortex-R4 32-Bit RISC CPU
- Efficient 1.66DMIPS/MHz with 8-Stage pipeline
- 8-Region Memory Protection Unit (MPU)
- Open architecture with third-party support
- Operating conditions
- 80MHz System clock
- Core supply voltage (VCC): 1.2V nominal
- I/O Supply voltage (VCCIO): 3.3V nominal
- ADC Supply voltage (VCCAD): 3.3V nominal
- Integrated memory
- Up to 384KB of program flash With ECC
- 32KB of RAM with ECC
- 16KB of Flash for emulated EEPROM with ECC
- Hercules common platform architecture
- Frequency-Modulated Phase-Locked Loop (FMPLL) with built-in slip detector
- IEEE 1149.1 JTAG Boundary-scan and ARM core sight components
- Advanced JTAG Security Module (AJSM)
- Multiple communication interfaces
- Next Generation High-End Timer (N2HET) module
- Enhanced Quadrature Encoder Pulse (eQEP) module
- 12-Bit Multibuffered Analog-to-Digital Converter (ADC) module
- Up to 45 General-Purpose Input/Output (GPIO) pins
- 100-Pin quad flatpack (PZ) [green] package
Applications
- Braking systems (ABS and ESC)
- Electric Power Steering (EPS)
- Electric pump control
- Battery-management systems
- Active driver assistance systems
- Aerospace and avionics
- Railway communications
- Off-road vehicles
Functional Block Diagram
Publicerad: 2017-08-16
| Uppdaterad: 2022-04-24
