Texas Instruments TPA3223 Mono HD Analog-Input, Class-D Amplifier
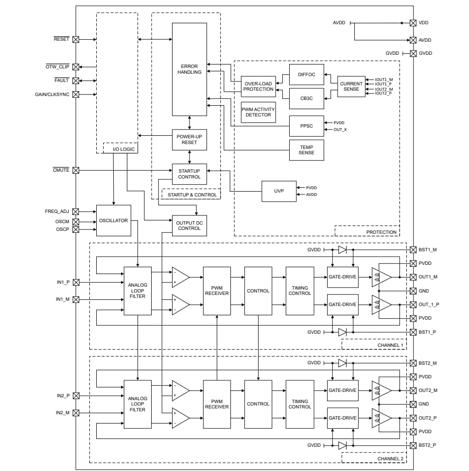
Texas Instruments TPA3223 Mono HD Analog-Input, Class-D Amplifier provides an efficient operation at full power, idle, and standby. The TPA3223 has closed-loop feedback allowing low distortion across the audio band and delivering excellent sound quality. The TPA3223 operates in AD modulation and drives up to 2 x 200W into 4Ω load or 1 x 400W into 2Ω load.The TI TPA3223 Class-D amplifier supplies a single-ended or differential analog-input interface that supports up to 2VRMS with four selectable gains of 20dB, 23.5dB, 32dB, and 36dB. The TPA3223 achieves >90% efficiency, low idle, and ultra-low standby power (<0.1W). These features are possible using 60mΩ MOSFETs, an optimized gate drive scheme, and low-power operating modes.
The TPA3223 integrates essential protection features, including undervoltage, overvoltage, cycle-by-cycle current limit, short circuit, clipping detection, overtemperature warning and shutdown, and DC speaker protection.
Features
- Wide 10V to 42V supply voltage range
- Stereo (2 x BTL) and mono (1 x PBTL) configurations
- Output power at 10% THD+N
- 200W Stereo into 4Ω in BTL configuration
- 300W Mono into 3Ω in PBTL configuration
- 425W Mono into 2Ω in PBTL configuration
- Output power at 1% THD+N
- 170W Stereo into 4Ω in BTL configuration
- 325W Mono into 2Ω in PBTL configuration
- Closed-loop feedback design
- <0.02% THD+N at 1W into 4Ω
- 60dB PSRR (BTL, No input signal)
- <100µV output noise (A-weighted)
- >110dB SNR (A-weighted)
- Low-power operating modes
- Standby modes of mute and shutdown
- Single-channel BTL operation
- Multiple input options to simplify pre-amp design
- Differential or single-ended analog inputs
- 20dB, 23.5dB, 32dB, and 36dB Selectable gains
- Integrated protections include undervoltage, overvoltage, overcurrent, cycle-by-cycle current limit, short circuit, clipping detection, overtemperature warning and shutdown, and DC speaker protection
- Easily synchronize multiple devices
- 90% Efficient Class-D operation (4Ω)
Applications
- BLUETOOTH® and Wi-Fi™ speakers
- Soundbars
- Subwoofers
- Professional and public address (PA) speakers
Simplified Schematic
Block Diagram
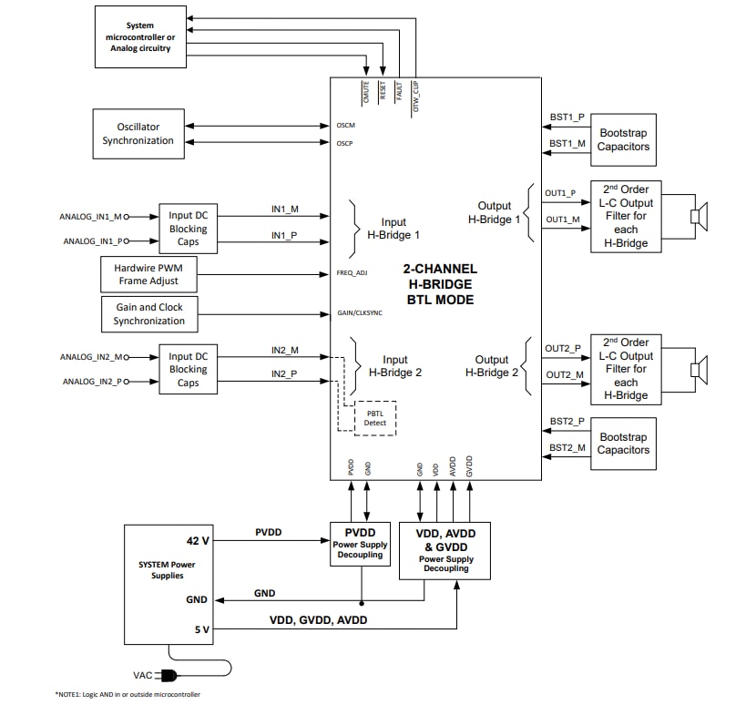
System Block Diagram
Publicerad: 2022-12-23
| Uppdaterad: 2023-01-26
