Texas Instruments TPS51385 7A Synchronous Buck Converter
Texas Instrument TPS51385 7A Synchronous Buck Converter has an adaptive on-time D-CAP3 control mode. The integrated low RDS(on) power MOSFETs enable high efficiency and offer ease of use with minimum external component count for space-constrained power systems. Features include an accurate reference voltage, auto-skip mode operation for light load efficiency, fast load transient response, OOA light load operation with > 25kHz switching frequency, D-CAP3 control mode with a load regulation, good line, and does not require external compensation.The TPS51385 provides complete OVP, UVP, OCP, OTP, and UVLO protection. The device has a combined output discharge function and power-good signal. The TPS51385 supports both external and internal soft-start time options. The device has an internal fixed soft-start time of 1ms. If the application needs a longer soft-start time, the external SS pin can be used to achieve a longer soft-start time by connecting the external capacitor. The Texas Instruments TPS51385 are designed to operate from -40°C to 125°C junction temperature and are available in a thermally enhanced 12-pin QFN package.
Features
- 4.5V to 24V input voltage range
- 0.6V to 5.5V output voltage range
- Integrated 22mΩ and 11mΩ MOSFETs
- Support 7A continuous IOUT
- 84µA low quiescent current
- ±1% reference voltage (0.6V) at 25°C
- ±1.5% reference voltage (0.6V) at -40°C to 125°C
- 1MHz switching frequency
- D-CAP3™ control mode for fast transient response
- Supports POSCAP and all MLCC output capacitor
- Adjustable soft start and internal 1ms soft start
- Selectable PSM and Out-of-Audio™ (OOA) mode under light load and supports on-the-fly change
- Large-duty operation support
- Power-good indicator to monitor the output voltage
- Latched output OV and UV protection
- Non-latched UVLO and OT protection
- Cycle-by-cycle overcurrent protection
- Built-in output discharge feature
- Small 2.00mm × 3.00mm HotRod™ QFN package
- Pin-to-pin compatible with TPS51386 (24V, 8A)
Applications
- Notebook and PC computers
- Ultrabook, tablet computers
- TV and STB, point-of-load (POL)
- Distributed power systems
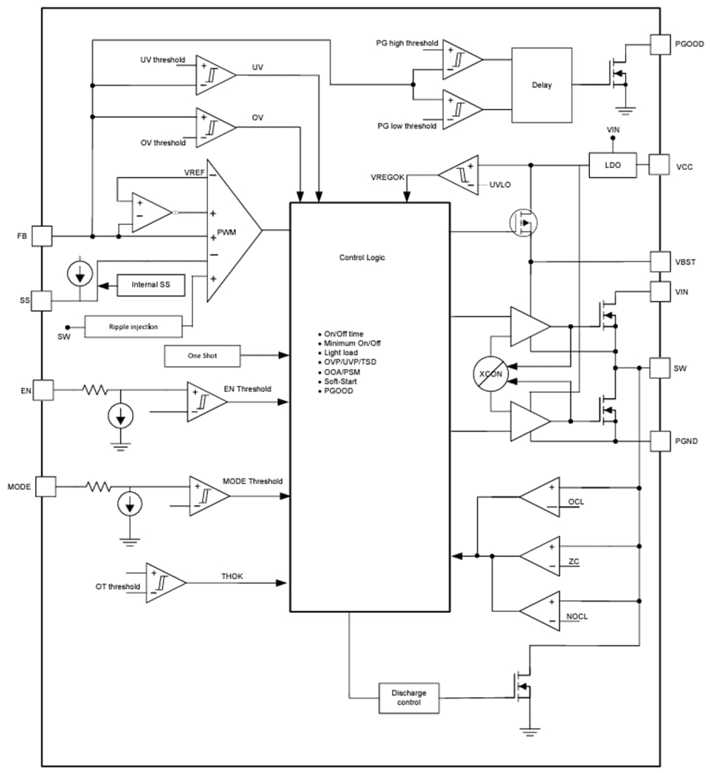
Functional Block Diagram
Publicerad: 2024-01-22
| Uppdaterad: 2024-01-31
