Texas Instruments TPS546D24S SWIFT™ Step-Down PMBus® Converter

Texas Instruments TPS546D24S SWIFT™ Step-Down PMBus® Converter is highly integrated and non-isolated, built to expand on the TPS546D24A by adding manufacturer-specific PMBus commands and extended write protect and Passkey. These features increase security against malicious access to the PMBus by restricting Write capability with more excellent resolution than the standard Write Protect command.

The TI TPS546D24S offers a high-frequency operation and 40A current output in a 7mm × 5mm package. Up to four TPS546D24S devices can be interconnected to deliver up to 160A on a single output. The converter can overdrive the internal 5V LDO with an external 5V supply through the VDD5 pin to improve efficiency and reduce the power dissipation of the converter.

The TPS546D24S utilizes a proprietary fixed-frequency current-mode control with input feed-forward and selectable internal compensation components for minimal size and stability over a wide range of output capacitances.

The PMBus interface with 1MHz clock support gives a convenient, standardized digital interface for converter configuration and monitoring key parameters, including output voltage, output current, and internal die temperature. Depending on system requirements, response to fault conditions can be set to restart, latch off, or ignore. Back-channel communication between stacked devices allows all TPS546D24S converters to power a single output rail to share a single address to simplify system software/firmware design. Key parameters, including output voltage, switching frequency, soft-start time, and overcurrent fault limits, can also be configured through BOM selection without PMBus communication to support program-free power-up.

Features

  • Integrated extended security feature
  • Split rail support: 2.95V to 16V PVIN; 2.95V to 18V AVIN (4-VIN VDD5 for switching)
  • Integrated 4.5mΩ/0.9mΩ MOSFETs
  • Average current mode control with selectable internal compensation
  • 2x, 3x, 4x stackable with current sharing up to 160A, supporting a single address per output
  • Selectable 0.5V to 5.5V output through pin strap or 0.25V to 5.5V using PMBus VOUT_COMMAND
  • Extensive PMBus command set with telemetry for VOUT, IOUT, and internal die temperature
  • Differential remote sensing with an internal FB divider for < 1% VOUT error, –40°C to +150°C TJ
  • AVS and margining capabilities through PMBus
  • MSEL pins pin programming PMBus defaults
  • 12 selectable switching frequencies from 225kHz to 1.5MHz (8-pin strap options)
  • Frequency sync in, sync out
  • Supports pre-biased output
  • 7mm × 5mm × 1.5mm, 40-pin QFN
  • Drop-in compatible with TPS546D24A
  • Create a custom design using the TPS546D24S with WEBENCH® Power Designer

Applications

  • Data center switches, rack servers
  • Active antenna system, remote radio, and baseband unit
  • Automated test equipment, CT, PET, and MRI
  • ASIC, SoC, FPGA, DSP core, and I/O voltage

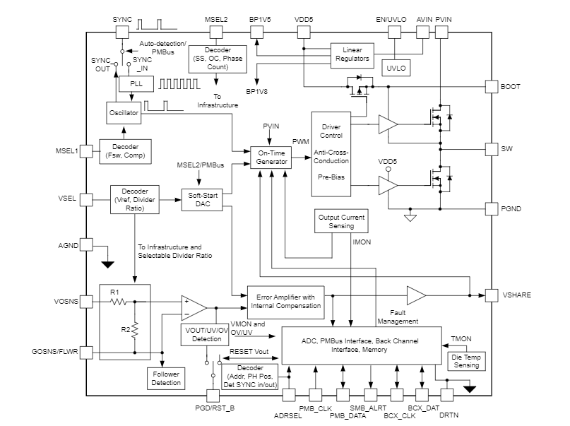
Block Diagram

Block Diagram - Texas Instruments TPS546D24S SWIFT™ Step-Down PMBus® Converter

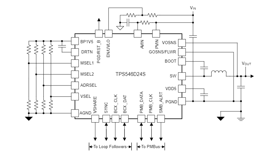
Simplified Application

Application Circuit Diagram - Texas Instruments TPS546D24S SWIFT™ Step-Down PMBus® Converter
Publicerad: 2023-04-26 | Uppdaterad: 2023-11-30