Texas Instruments TPS61291EVM-569 Evaluation Module
Texas Instruments TPS61291EVM-569 Evaluation Module (EVM) is designed to evaluate the TPS61291 low IQ boost converters with a bypass mode device. The Texas Instruments TPS61291 outputs a user-selectable output voltage of 2.5V, 3V, or 3.3V. Available output current depends on the input voltage and output voltage but is generally around 200mA for most applications.Features
- 5.7µA IQ
- 15nA bypass mode
- 0.9V to 5V input voltage range
- 2.5V, 3V, or 3.3V output voltage
- 200mA output current at 3.3Vout from a 1.8V input voltage
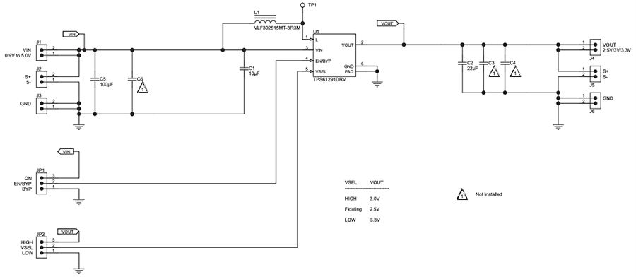
Schematic
Publicerad: 2014-10-14
| Uppdaterad: 2022-03-11
