Texas Instruments TPS652170 PMICs
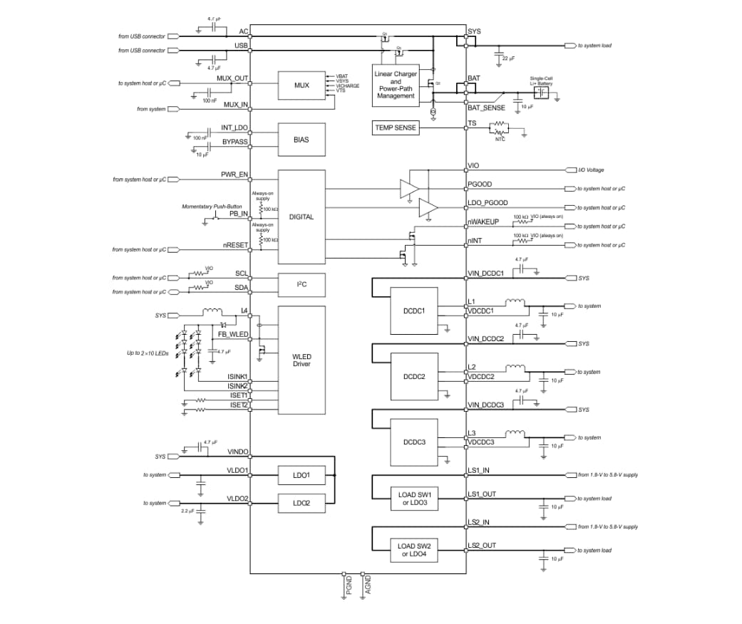
Texas Instruments TPS652170 single-chip Power Management IC (PMIC) is specifically designed to power the AM335x Arm® Cortex®-A8 processor in portable and 5V line-powered applications. The PMIC device features a linear battery charger for single-cell Li-ion and Li-polymer batteries, a dual-input power path, three step-down converters, four low-dropout (LDO) regulators, and a high-efficiency boost converter to power two strings of up to ten LEDs each. A USB port, 5VAC adaptor, or Li-Ion battery can supply the system.The Texas Instruments TPS652170 is characterized across a -40°C to +105°C temperature range, which makes it suitable for industrial applications. Three high-efficiency 2.25MHz step-down converters can implement the core voltage, memory, and I/O voltage for a system. The TPS652170 device comes in a 48-pin leadless package (6mm × 6mm VQFN) with a 0.4mm pitch.
Features
- Charger and power path
- 2A output current on the power path
- Linear charger; 700mA maximum charge current
- 20V tolerant USB and AC inputs
- Thermal regulation, safety timers
- Temperature sense input
- Step-down converter (DCDC1, DCDC2, DCDC3)
- Three step-down converters with integrated switching FETs
- 2.25MHz fixed frequency operation
- Power-save mode at light-load current
- Output voltage accuracy in PWM mode ±2%
- 100% duty cycle for the lowest dropout
- Typical 15µA quiescent per converter
- Passive discharge to ground when disabled
- LDO regulators (LDO1, LDO2)
- Two adjustable LDOs
- LDO2 can be configured to track DCDC3
- Typical 15µA quiescent current
- Load switches (LDO3, LDO4)
- Two independent load switches that can be configured as LDOs
- WLED driver
- Internally generated PWM for dimming control
- 38V open-LED protection
- Supports two strings of up to 10 LEDs at 25mA each
- Internal low-side current sinks
- Protection
- Undervoltage lockout and battery fault comparator
- Always-on push-button monitor
- Hardware reset pin
- Password-protected I2C registers
- Interface
- I2C interface (address 0x24)
- Password-protected I2C registers
Applications
- Sitara™ AM335x processor power
- Portable navigation systems
- Tablet computing
- 5V industrial equipment
Block Diagram
Simplified Application Diagram
Publicerad: 2019-10-14
| Uppdaterad: 2023-12-11
