Texas Instruments TPS65320D-Q1 Automotive LDO Regulators
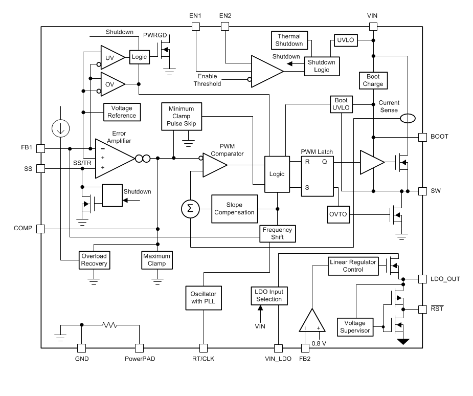
Texas Instruments TPS65320D-Q1 Automotive LDO Regulators combine a high-VIN DC-DC step-down converter and a high-VIN 280mA low-dropout (LDO) regulator, providing a flexible design to fit system needs. The buck regulator offers an adjustable switch-mode frequency from 100kHz to 2.5MHz, while the low-dropout (LDO) regulator provides a high-VIN 280mA current capability with a typical 35µA quiescent current in a No-Load Condition. The buck regulator has an integrated 250mΩ high-side MOSFET and an input range of 3.6V to 36V. The LDO regulator features a low-input supply current of 45µA typical in no-load, and additionally provides an integrated MOSFET with an active-low, push-pull reset output pin. The low-ripple pulse-skip mode reduces the no-load input-supply current to a maximum of 140µA. Built-in protection features include soft start, current limit, thermal sensing, and shut down due to excessive power dissipation. The TPS65320D-Q1 devices are AEC-Q100 qualified for automotive applications.Features
- Qualified for automotive applications
- AEC-Q100 Qualified with the following results:
- Device temperature grade 1 of –40°C to +125°C ambient operating temperature
- Device HBM ESD classification level 2
- Device CDM ESD classification level C4B
- One High-VIN step-down DC-DC converter
- Input range of 3.6V to 36V
- 250mΩ High-side MOSFET
- Maximum load current 3.2A, output adjustable 1.1V to 20V
- Adjustable switching frequency 100kHz to 2.5MHz
- Synchronizes to external clock
- High efficiency at light loads with pulse-skipping Eco-mode™ control scheme
- Maximum 140µA operating quiescent current
- One Low-Dropout Voltage (LDO) regulator
- Input range of 3V to 20V, with auto-source to balance efficiency and lower standby current
- 280mA Current capability with typical 35µA quiescent current in no-load condition
- Power-good output (Push-Pull)
- Low-dropout voltage of 300mV at IO = 200mA (Typical)
- Overcurrent protection for both regulators
- Overtemperature protection
- 14-Pin HTSSOP Package with PowerPAD™ integrated circuit package
Applications
- Automotive infotainment and cluster
- Advanced Driver Assistance System (ADAS)
- Automotive telematics, eCall
Block Diagram
Publicerad: 2018-08-14
| Uppdaterad: 2023-03-09
